Запчасти Case IH FARMALL 120C (55.015.AB[02]) - VAR - 336839 - ENGINE, WIRE HARNESS (55) - ELECTRICAL SYSTEMS

Схема запчастей Case IH FARMALL 120C - (55.015.AB[02]) - VAR - 336839 - ENGINE, WIRE HARNESS (55) - ELECTRICAL SYSTEMS
5
9
55.015.ab (03)
55.015.ab (01)
55.511.ab
4
55.015.aa (02)
6
7
10.500.ao (01)
10
5
33.202.an
3
8
55.988.ag (01)
55.050.aa
8
55.988.ab
4
10.500.ad (01)
2
55.301.aa (01)
8
10.202.ab (01)
1
FIT
1:1
100%

Артикул

Название

Примечание

Количество

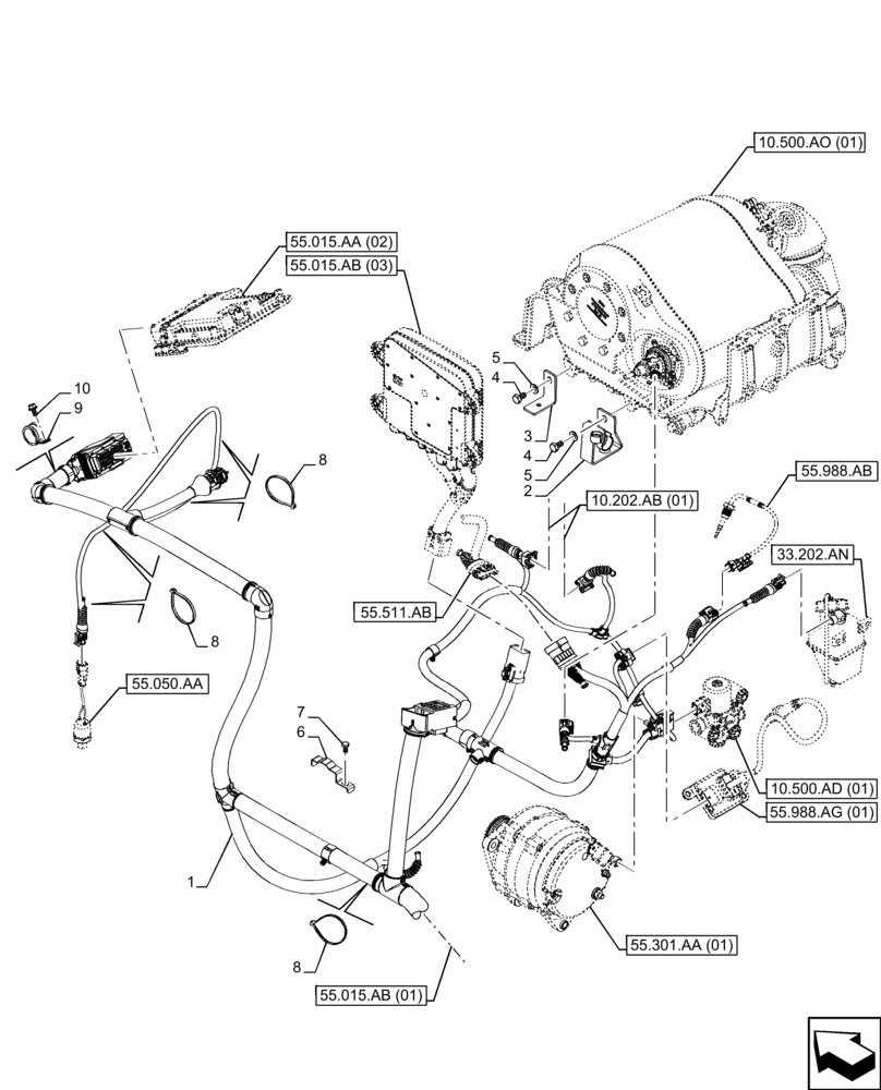
1

47649048

WIRE HARNESS

Harness, Wire, Engine

1шт.

2

47542642

BRACKET

1шт.

3

47545990

BRACKET

1шт.

4

11193874

BELLEVILLE WASHER,M8 Bolt Size x 16mm OD x 1.4mm Thk

2шт.

5

16043224

BOLT,Hex, M8 x 16mm, Cl 8.8

2шт.

6

47421874

SUPPORT

1шт.

7

10902024

SCREW,Hex, M6 x 12mm, Cl 8.8

1шт.

8

14560187

COLLAR,199mm L

5шт.

9

10417901

RETAINER,26mm, Coat, 7mm Bolt Hole, P Type

26mm

1шт.

10

844-6012

BOLT,Hvy Hex, M6 x 12mm, Cl 8.8

1шт.

Выбрано товаров: 0