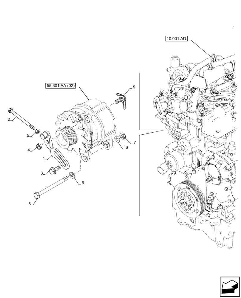
Запчасти Case IH FARMALL 120C (55.301.AB[02]) - VAR - 336839 - ALTERNATOR, BRACKET (55) - ELECTRICAL SYSTEMS

Схема запчастей Case IH FARMALL 120C - (55.301.AB[02]) - VAR - 336839 - ALTERNATOR, BRACKET (55) - ELECTRICAL SYSTEMS
8
7
9
10.001.ad
6
2
5
6
1
3
55.301.aa (02)
4
FIT
1:1
100%

Артикул

Название

Примечание

Количество

1

47371513

BELT TENSIONER

1шт.

2

47371514

ADJUSTMENT SCREW,Hex, M8 x 1.25 x 100mm

1шт.

3

16587124

FLANGE BOLT,Hex, M10 x 25mm, Cl 8.8, Full Thd

1шт.

4

47474782

NUT,Hex, M10 x 1.25

M10 x 1.25

1шт.

5

16100821

NUT,M8, Cl 10

1шт.

6

11198374

BELLEVILLE WASHER,M10 Bolt Size x 20mm OD x 2.6mm Thk

1шт.

7

14059421

FLANGE NUT,Hex, M10 x 1.25, Cl. 10

M10 x 1.25

1шт.

8

15972421

SCREW,Hex, M10 x 1.25 x 130mm, Cl 8.8

1шт.

9

84569202

BRACKET

1шт.

Выбрано товаров: 9