Запчасти Case IH FARMALL 120C (90.116.AC[10]) - VAR - 744599 - REAR FENDER EXTENSION, WET (90) - PLATFORM, CAB, BODYWORK AND DECALS

Схема запчастей Case IH FARMALL 120C - (90.116.AC[10]) - VAR - 744599 - REAR FENDER EXTENSION, WET (90) - PLATFORM, CAB, BODYWORK AND DECALS
90.116.ac (08)
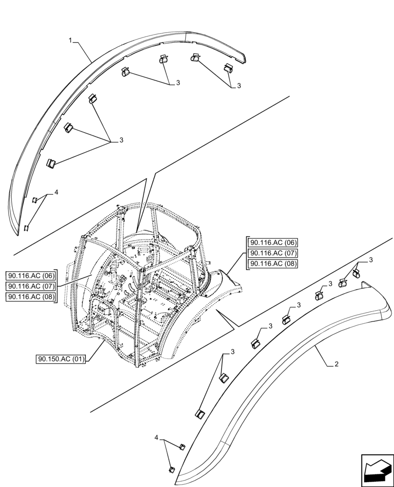
3
90.116.ac (07)
90.116.ac (06)
3
3
3
3
90.150.ac (01)
3
90.116.ac (07)
4
3
2
90.116.ac (06)
90.116.ac (08)
3
1
4
FIT
1:1
100%

Артикул

Название

Примечание

Количество

1

84290224

FENDER EXTENSION

RH, Black

1шт.

2

84290223

FENDER EXTENSION

LH, Black

1шт.

3

82010838

SPRING CLIP,0.5mm Thk

14шт.

4

47467257

CLIP

4шт.

Выбрано товаров: 4