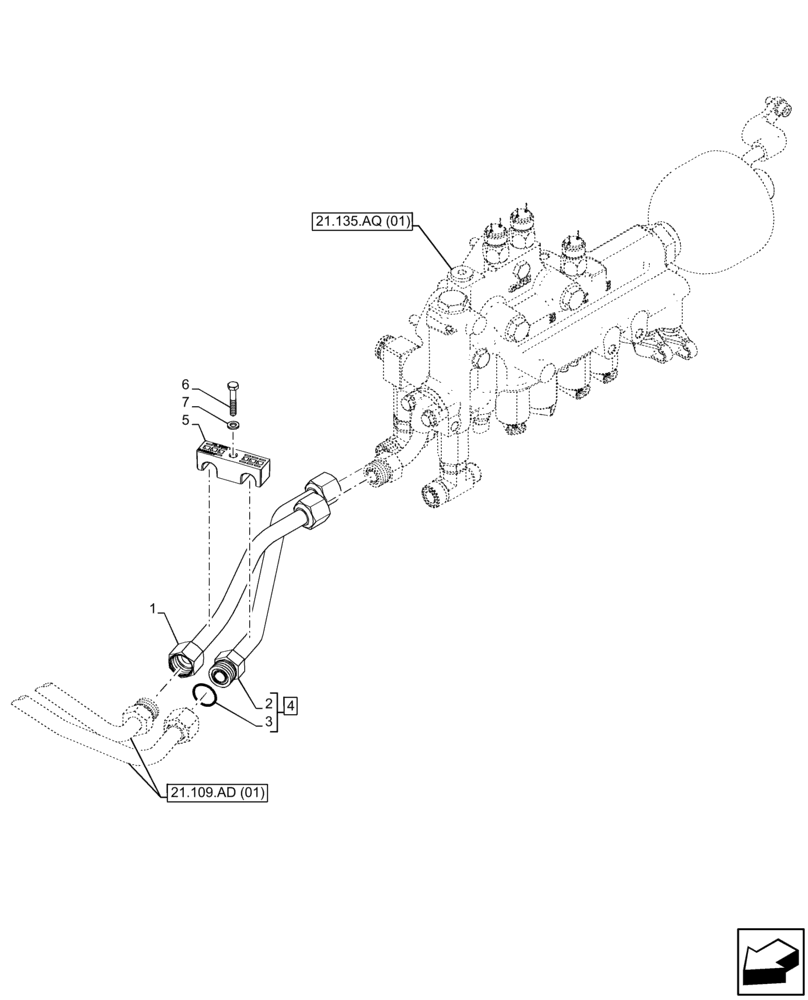
Запчасти Case IH FARMALL 120C (21.109.AD[02]) - VAR - 743524 - TRANSMISSION OIL, COOLER, LINE, PIPE, HI-LO (21) - TRANSMISSION

Схема запчастей Case IH FARMALL 120C - (21.109.AD[02]) - VAR - 743524 - TRANSMISSION OIL, COOLER, LINE, PIPE, HI-LO (21) - TRANSMISSION
2
6
1
3
4
21.109.ad (01)
7
21.135.aq (01)
5
FIT
1:1
100%

Артикул

Название

Примечание

Количество

1

47482217

PIPE

1шт.

2

NSS

NOT SOLD SEPARAT

Pipe, Incl in 4

1шт.

3

5185512

O-RING,0.07" Thk x 0.614" ID, -16, Cl 6, 90 Duro

1шт.

4

47746417

PIPE

ASSY , Incl 2, 3

1шт.

5

84309294

FIXING PLATE

1шт.

6

10903021

SCREW,Hex, M6 x 35mm, Cl 8.8

1шт.

7

14499301

WASHER,M6 x 12.00mm OD x 1.60mm Overwrite

1шт.

Выбрано товаров: 7