Запчасти Case IH FARMALL 120C (21.120.AB[06]) - GEARBOX, HOUSING (21) - TRANSMISSION

Схема запчастей Case IH FARMALL 120C - (21.120.AB[06]) - GEARBOX, HOUSING (21) - TRANSMISSION
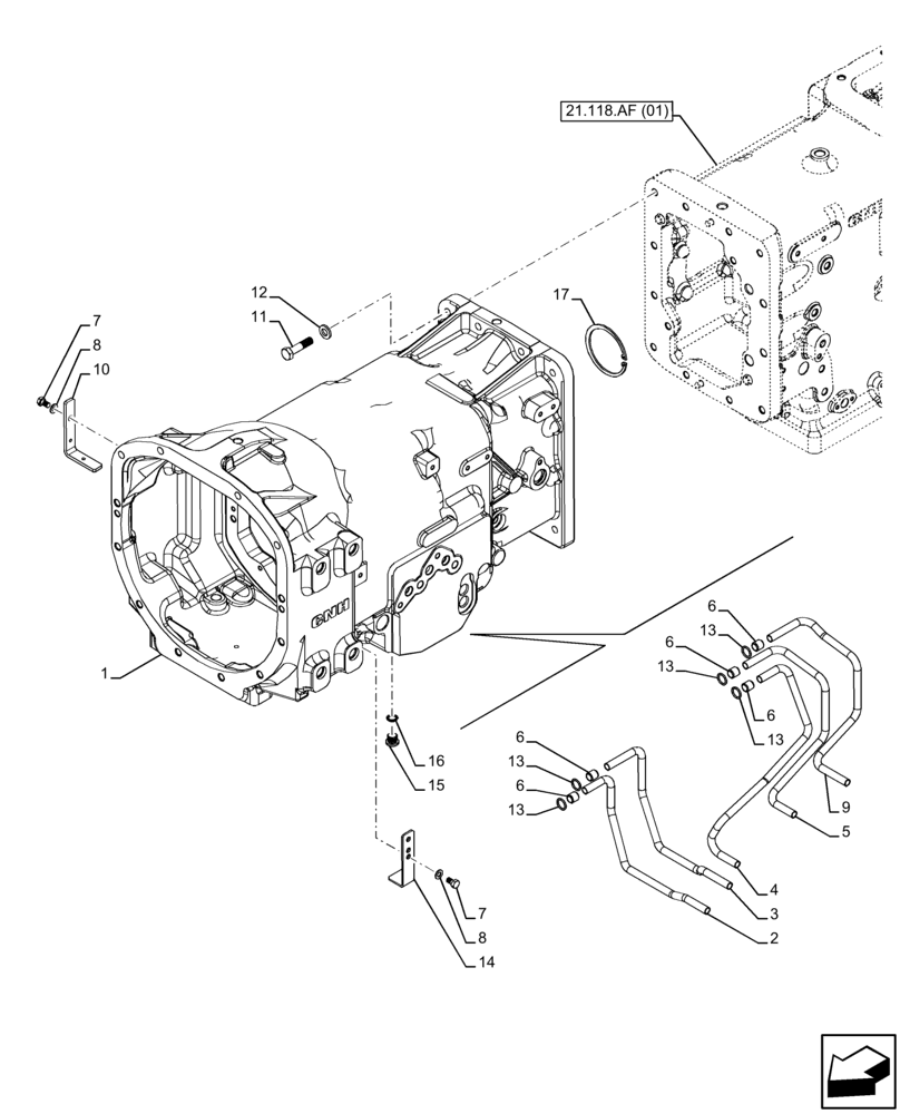
5
8
10
6
13
17
16
6
1
21.118.af (01)
6
13
13
12
2
4
6
15
13
8
13
7
6
11
3
14
9
7
FIT
1:1
100%

Артикул

Название

Примечание

Количество

1

47599080

GEARBOX

1шт.

2

84339690

TUBE

Power Shuttle HI

1шт.

3

84339691

TUBE

Power Shuttle LOW

1шт.

4

84339692

PIPE

Power Shuttle Lubrification

1шт.

5

84339693

TUBE

Power Shuttle FWD

1шт.

6

5178778

SPACER,11mm ID x 15mm OD x 15mm L

5шт.

7

16043224

BOLT,Hex, M8 x 16mm, Cl 8.8

3шт.

8

11193874

BELLEVILLE WASHER,M8 Bolt Size x 16mm OD x 1.4mm Thk

3шт.

9

84339694

TUBE

Power Shuttle REW

1шт.

10

84413272

BRACKET

1шт.

11

15540834

BOLT,Hex, M12 x 1.25 x 50mm, Cl 10.9

M12 x 1.25 x 50mm 10.9 DAC DIN

10шт.

12

11198674

BELLEVILLE WASHER,M12 Bolt Size x 24mm OD x 3.2mm Thk

10шт.

13

14457281

O-RING,0.612" ID x 0.103" Width

5шт.

14

84384970

BRACKET

1шт.

15

10119340

PLUG,M16 x 1.5 x 15, Brass

1шт.

16

14437885

O-RING,13.30mm ID x 2.40mm

1шт.

17

11062676

SNAP RING,M95, Int

1шт.

Выбрано товаров: 17