Запчасти Case IH FARMALL 120C (33.000.00) - SECTION INDEX - BRAKES & CONTROLS (33) - BRAKES & CONTROLS

Схема запчастей Case IH FARMALL 120C - (33.000.00) - SECTION INDEX - BRAKES & CONTROLS (33) - BRAKES & CONTROLS
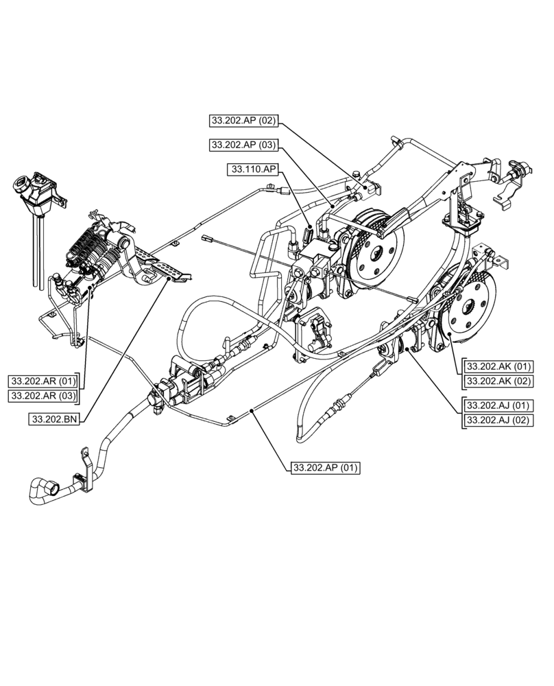
33.202.bn
33.110.ap
33.202.aj (02)
33.202.ap (02)
33.202.ap (01)
33.202.ar (01)
33.202.ap (03)
33.202.ak (01)
33.202.ak (02)
33.202.ar (03)
33.202.aj (01)
FIT
1:1
100%