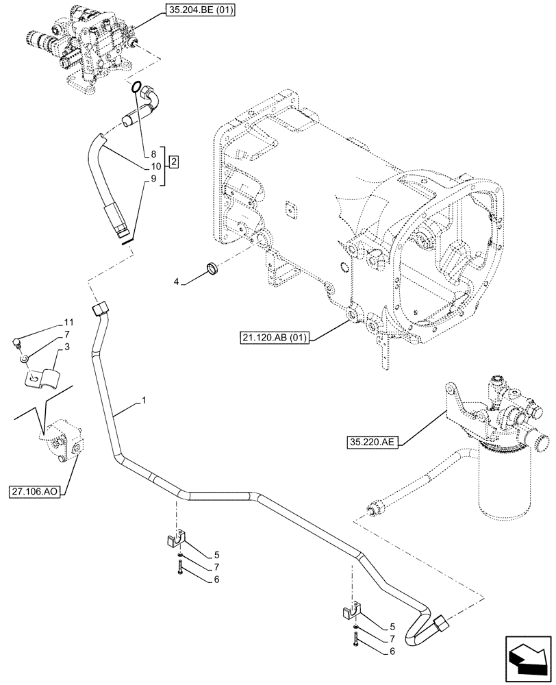
Запчасти Case IH FARMALL 120C (35.204.BJ[03]) - VAR - 390124 - REMOTE CONTROL VALVE, LINE (35) - HYDRAULIC SYSTEMS

Схема запчастей Case IH FARMALL 120C - (35.204.BJ[03]) - VAR - 390124 - REMOTE CONTROL VALVE, LINE (35) - HYDRAULIC SYSTEMS
27.106.ao
1
7
6
8
7
9
5
11
10
7
5
6
3
2
4
35.220.ae
21.120.ab (01)
35.204.be (01)
FIT
1:1
100%

Артикул

Название

Примечание

Количество

1

47777057

PIPE

to Oil Filter

1шт.

2

84363868

HOSE,15.9mm ID x 555mm L

from Rear Remote Valve, ASSY, Incl 8 - 10

1шт.

3

5156414

CLAMP,20mm ID, 6.5mm Bolt Hole, J Type

1шт.

4

14329101

PLUG,M30, Tapered

1шт.

5

84428662

BLOCK,20.4mm

2шт.

6

86977789

BOLT,Hex, M6 x 1.0 x 35mm, Cl 8.8

2шт.

7

10519404

WASHER,6.4mm ID x 11.95mm OD x 1.6mm Thk

3шт.

8

9992069

O-RING,0.07" Thk x 0.614" ID, -16, Cl 6, 90 Duro

0.614" ID x 0.754" OD x 0.07" W

1шт.

9

9991976

O-RING,0.07" Thk x 0.739" ID, -18, Cl 6, 90 Duro

0.739" ID x 0.879" OD x 0.07"

1шт.

10

NSS

NOT SOLD SEPARAT

Hose, Incl in 2

1шт.

11

10902324

BOLT,Hex, M6 x 18mm, Cl 8.8, Full Thd

1шт.

Выбрано товаров: 11