Запчасти Case IH FARMALL 120C (55.513.BD[05]) - VAR - 334183, 334187, 334190, 334211, 391606, 392315, 743496, 743573, 744588 - TRANSMISSION, CONTROLS, REVERSER (55) - ELECTRICAL SYSTEMS

Схема запчастей Case IH FARMALL 120C - (55.513.BD[05]) - VAR - 334183, 334187, 334190, 334211, 391606, 392315, 743496, 743573, 744588 - TRANSMISSION, CONTROLS, REVERSER (55) - ELECTRICAL SYSTEMS
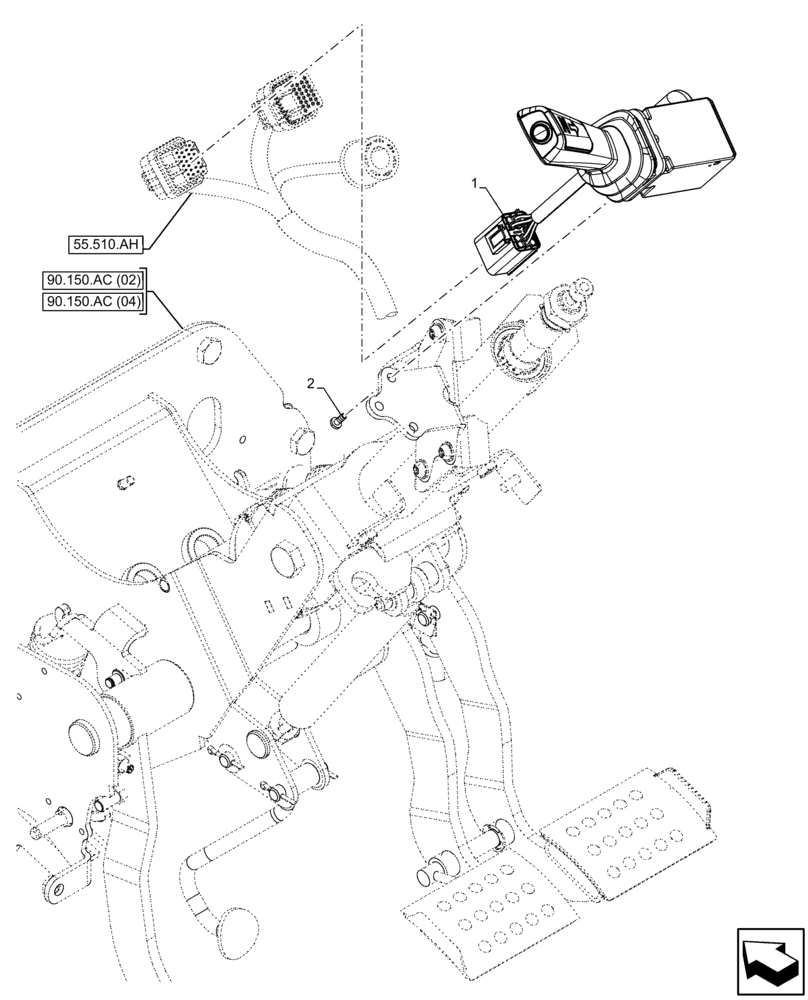
2
90.150.ac (02)
90.150.ac (04)
1
55.510.ah
FIT
1:1
100%

Артикул

Название

Примечание

Количество

1

84478163

TOGGLE SWITCH

Reverser Control, Years: -14-MAY-15

1шт.

1

47527627

TOGGLE SWITCH

Reverser Control, Start Year: 15-MAY-15

1шт.

2

13271914

SCREW,Pozidriv Pan Hd, M4 x 10mm, Cl 5.8, Full Thd

, Years: -14-MAY-15

3шт.

2

13271824

SCREW,Pozidrive, Pan HD, M4 x 8mm, Cl 8.8

, Start Year: 15-MAY-15

3шт.

Выбрано товаров: 4