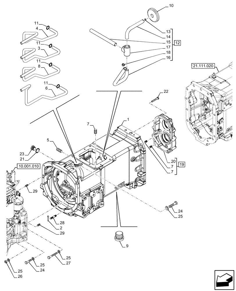
Запчасти Case IH FARMALL 120U (21.111.010) - VAR - 334114, 334117, 334775, 334779, 334780, 390430 - TRANSMISSION, SEMI-POWERSHIFT, HOUSING, FRONT (21) - TRANSMISSION

Схема запчастей Case IH FARMALL 120U - (21.111.010) - VAR - 334114, 334117, 334775, 334779, 334780, 390430 - TRANSMISSION, SEMI-POWERSHIFT, HOUSING, FRONT (21) - TRANSMISSION
21.111.020
20
26
11
28
4
11
18
24
14
22
1
10
9
7
8
23
15
24
25
25
2
13
25
3
7
6
12
5
19
7
11
17
27
16
11
29
21
29
25
10.001.010
FIT
1:1
100%

Артикул

Название

Примечание

Количество

1

47664476

GEARBOX

1шт.

2

10798204

COTTER PIN,M6.3 x 32

1шт.

3

84544347

TUBE

1шт.

4

84544401

TUBE

Power Shuttle

1шт.

5

81863708

PIN

2шт.

6

84544353

TUBE

1шт.

7

83980528

DOWEL,12.71mm OD x 20.57mm L

4шт.

8

84544350

PIPE

1шт.

9

10118811

PLUG,M22 x 1.5 x 14, Cl5.8

1шт.

10

81864002

BAFFLE

1шт.

11

81845038

O-RING,0.5" ID x 0.07" Thk

5шт.

12

47126778

TUBE

Oil, Transfer, ASSY, Incl 13 - 18

1шт.

13

81866515

HYDRAULIC VALVE

1шт.

14

NSS

NOT SOLD SEPARAT

Pipe, Incl in 12

1шт.

15

NSS

NOT SOLD SEPARAT

Pipe, Incl in 12

1шт.

16

NSS

NOT SOLD SEPARAT

Pipe, Incl in 12

1шт.

17

NSS

NOT SOLD SEPARAT

Connector, Incl in 12

1шт.

18

NSS

NOT SOLD SEPARAT

Pipe, Incl in 12

1шт.

19

47126590

COVER

ASSY, Incl 7 (Qty 2), 20, 21

1шт.

20

NSS

NOT SOLD SEPARAT

Cover, Incl in 19

1шт.

21

87012S95

O-RING,0.489" ID x 0.629" OD x 0.07"

1шт.

22

11343724

BOLT,Hex, M10 x 1.25 x 65mm, Cl 8.8

10шт.

23

10119411

PLUG,M18 x 1.5 x 12.00mm

1шт.

24

15540834

BOLT,Hex, M12 x 1.25 x 50mm, Cl 10.9

6шт.

25

11198674

BELLEVILLE WASHER,M12 Bolt Size x 24mm OD x 3.2mm Thk

12шт.

26

16101524

NUT,M12 x 1.25, Cl 10

4шт.

27

15541534

BOLT,Hex, M12 x 90, 8.8

2шт.

28

13530434

STUD

4шт.

29

4988170

PIN,10mm OD x 20mm L

2шт.

Выбрано товаров: 29