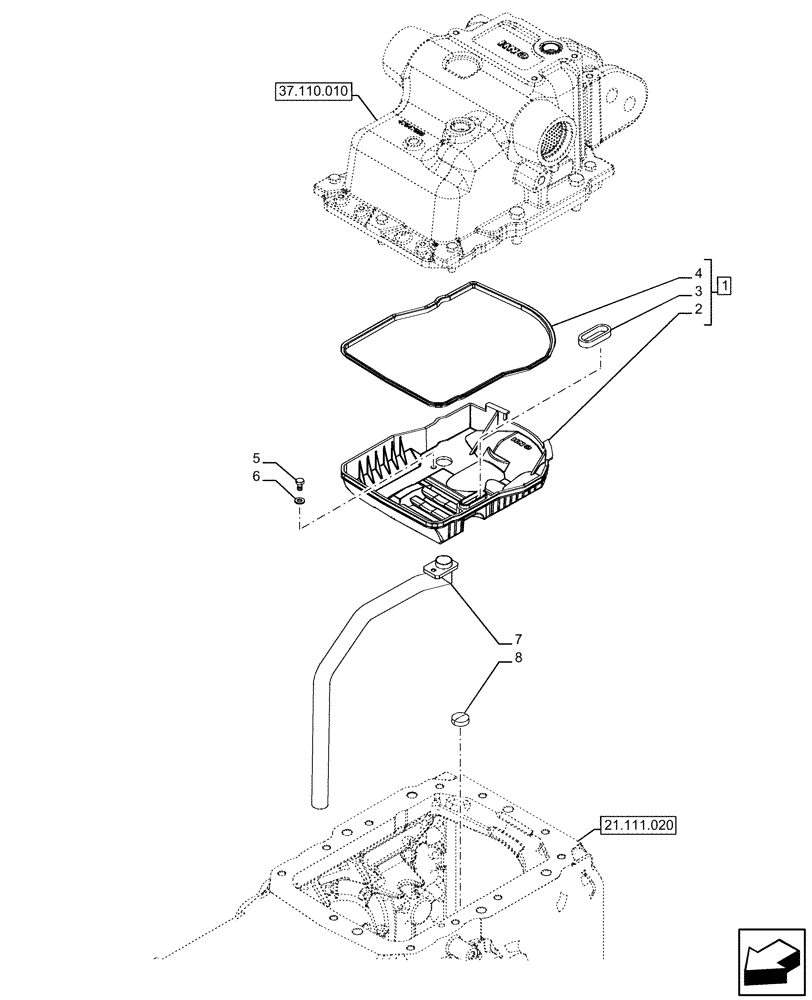
Запчасти Case IH FARMALL 120U (21.111.030) - VAR - 758289 - TRANSMISSION, HYDRAULIC LIFT, PIPE (21) - TRANSMISSION

Схема запчастей Case IH FARMALL 120U - (21.111.030) - VAR - 758289 - TRANSMISSION, HYDRAULIC LIFT, PIPE (21) - TRANSMISSION
21.111.020
5
2
7
8
1
3
4
6
37.110.010
FIT
1:1
100%

Артикул

Название

Примечание

Количество

1

84493967

PAN

ASSY, Incl 2 - 4

1шт.

2

NSS

NOT SOLD SEPARAT

Pan, Incl in 1

1шт.

3

84469664

SEAL

1шт.

4

87609691

SEAL

1шт.

5

16043124

SCREW,Hex, M8 x 1.25 x 14mm, Cl 8.8, Full Thd

1шт.

6

10730324

WASHER,8.15mm ID x 17mm OD x 2mm Thk

1шт.

7

84570250

PIPE

1шт.

8

14329101

PLUG,M30, Tapered

1шт.

Выбрано товаров: 8