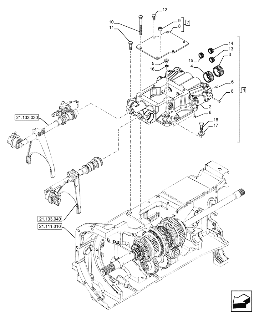
Запчасти Case IH FARMALL 120U (21.133.020) - VAR - 334114, 334117, 334775, 334779, 334780, 390430 - TRANSMISSION, SEMI-POWERSHIFT, EXTERNAL CONTROL, COVER (21) - TRANSMISSION

Схема запчастей Case IH FARMALL 120U - (21.133.020) - VAR - 334114, 334117, 334775, 334779, 334780, 390430 - TRANSMISSION, SEMI-POWERSHIFT, EXTERNAL CONTROL, COVER (21) - TRANSMISSION
21.111.010
15
13
9
12
10
16
1
4
6
17
14
2
6
3
11
18
5
8
6
7
21.133.040
21.133.030
FIT
1:1
100%

Артикул

Название

Примечание

Количество

1

47127526

COVER ASSY

ASSY, Incl 2 - 6, 13 - 16

1шт.

2

NSS

NOT SOLD SEPARAT

Cover, Incl in 1

1шт.

3

82990914

BUSHING,42mm ID x 49.982 - 49.976mm OD x 24.50mm Thk

1шт.

4

82990915

BUSHING,42mm ID x 49.990 - 49.983mm OD x 24.50mm Thk

1шт.

5

9625178

PLUG,9/16" - 18 ORB

1шт.

6

14536490

PLUG,8.00mm Dia x 15.70mm L

12шт.

7

84488514

PLATE

ASSY, Incl 8, 9

1шт.

8

82852617

PLATE

1шт.

9

84488525

SPACER

3шт.

10

15971824

SCREW,Hex, M10 x 1.25 x 100mm, Cl 8.8

4шт.

11

15970924

SCREW,Hex, M10 x 1.25 x 35mm, Cl 8.8

3шт.

12

15970524

BOLT,Hex, M10 x 1.25 x 20mm, Cl 8.8, Full Thd

2шт.

13

82990913

BUSHING,42mm ID x 49.975 - 49.967mm OD x 24.50mm Thk

1шт.

14

82990917

BUSHING,42mm ID x 50.006 - 49.999mm OD x 24.50mm Thk

1шт.

15

82990916

BUSHING,42mm ID x 49.998 - 49.991mm OD x 24.50mm Thk

1шт.

16

9617873

O-RING,0.078" Thk x 0.468" ID, -906, Cl 6, 90 Duro

1шт.

17

86624176

WASHER,11mm ID x 20mm OD x 2mm Thk

1шт.

18

11307024

BOLT,Hex, M10 x 1.25 x 40, 8.8, Full Thd

1шт.

Выбрано товаров: 18