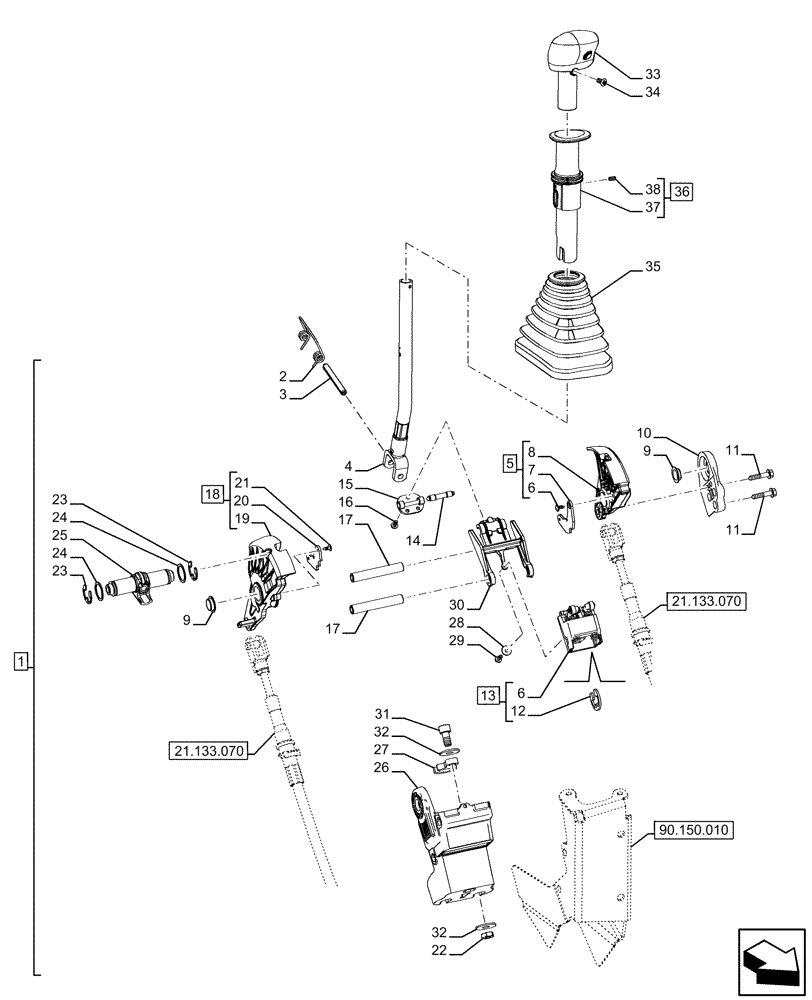
Запчасти Case IH FARMALL 120U (21.133.060) - VAR - 331286 - TRANSMISSION, SEMI-POWERSHIFT, CONTROL LEVER, GEARSHIFT (21) - TRANSMISSION

Схема запчастей Case IH FARMALL 120U - (21.133.060) - VAR - 331286 - TRANSMISSION, SEMI-POWERSHIFT, CONTROL LEVER, GEARSHIFT (21) - TRANSMISSION
90.150.010
16
36
23
14
24
22
24
19
20
32
4
18
37
11
17
38
7
28
1
23
12
2
9
30
9
34
29
31
10
6
5
25
6
21
33
15
27
13
35
3
11
32
21.133.070
21.133.070
17
26
8
FIT
1:1
100%

Артикул

Название

Примечание

Количество

1

47521654

SELECTOR

ASSY, Incl 2 - 32

1шт.

2

14607870

LOCK PIN,M8 x 70, Slotted

1шт.

3

84325171

SPRING

1шт.

4

47521653

LEVER

1шт.

5

47522469

FERRULE

ASSY, Incl 7, 8, 21 (Qty 2)

1шт.

6

NSS

NOT SOLD SEPARAT

Rocker Arms, Incl in 13

1шт.

7

84583496

PLATE

1шт.

8

NSS

NOT SOLD SEPARAT

Ferrule, Incl in 5

1шт.

9

84295357

BUSHING,16mm ID x 24mm OD x 6mm L

2шт.

10

84478538

SUPPORT

1шт.

11

15926104

SELF-TAP SCREW,ST 6.3 x 32 Type AB, HTS DAC

2шт.

12

800-315

CIRCLIP,M5

4шт.

13

84583500

PAN

ASSY, Incl 6, 12

1шт.

14

47522364

SHAFT

1шт.

15

47522435

THREADED BUSHING

1шт.

16

47523347

SCREW

4 x 10

3шт.

17

84338346

SPACER,8mm ID x 13mm OD x 81mm L

2шт.

18

47522495

FERRULE

ASSY, Incl 19, 20, 21 (Qty 2)

1шт.

19

NSS

NOT SOLD SEPARAT

1шт.

20

47522501

PLATE

1шт.

21

47692858

SCREW,Pan Hd, M3.5 x 1.3 x 9.5mm

4шт.

22

10788714

THIN NUT,Thin, M10 x 1.5, Cl 04

1шт.

23

16165174

CIRCLIP,M16

2шт.

24

10279560

SEALING WASHER,22.3mm ID x 28mm OD x 1mm Thk

2шт.

25

84338367

SHAFT

1шт.

26

84583575

SUPPORT

1шт.

27

47421971

BRACKET

1шт.

28

12642801

WASHER,4.15mm ID x 12mm OD x 1mm Thk

1шт.

29

47523345

SCREW

4 x 16

1шт.

30

47522453

SUPPORT

1шт.

31

14420034

HEX SOC SCREW,M10 x 1.5 x 20mm, Cl 10.9, Full Thd

1шт.

32

13578621

WASHER,10.2mm ID x 30mm OD x 2mm Thk

10.2 x 30 x 2

2шт.

33

47751424

KNOB

1шт.

34

13310777

SCREW,Pozidriv Oval Hd, Csk, M5 x 10mm, Full Thd, SST

1шт.

35

47463998

BOOT

1шт.

36

47748693

SELECTOR

ASSY, Incl 37, 38

1шт.

37

NSS

NOT SOLD SEPARAT

Selector, Incl in 36

1шт.

38

84139323

SET SCREW,M5 x 0.8 x 10mm

2шт.

Выбрано товаров: 38