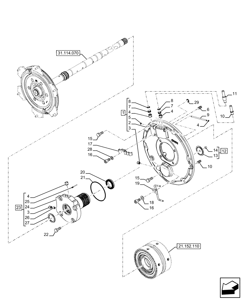
Запчасти Case IH FARMALL 120U (21.152.100) - VAR - 334114, 334117, 334775, 334779, 334780, 390430 - TRANSMISSION, SEMI-POWERSHIFT, INTERNAL, COMPONENTS, GEAR, HI-LO (21) - TRANSMISSION

Схема запчастей Case IH FARMALL 120U - (21.152.100) - VAR - 334114, 334117, 334775, 334779, 334780, 390430 - TRANSMISSION, SEMI-POWERSHIFT, INTERNAL, COMPONENTS, GEAR, HI-LO (21) - TRANSMISSION
31.114.070
15
2
15
4
23
13
4
16
3
28
7
24
20
21
18
8
5
29
7
17
10
3
19
8
25
14
9
26
16
27
4
1
11
6
10
22
4
12
21.152.110
FIT
1:1
100%

Артикул

Название

Примечание

Количество

1

47639844

COVER

Standard, ASSY, Incl 3 (Qty 1), 4 (Qty 4), 5 - 8

1шт.

1

84531298

COVER ASSY

Alternative Parts, ASSY, Incl 3 (Qty 1), 4 (Qty 4), 5 - 8

1шт.

Same Usage Applicability. To be Ordered when P/N 47639844 is not Available

1шт.

2

NSS

NOT SOLD SEPARAT

Cover, Incl in 1

1шт.

3

81863105

SEAL

2шт.

4

81863108

SEAL

12шт.

5

11065374

SNAP RING,M5, Ext

2шт.

6

4988170

PIN,10mm OD x 20mm L

4шт.

7

47639842

PLUG

Standard

4шт.

7

81863424

PLUG

Alternative Parts

4шт.

Same Usage Applicability. To be Ordered when P/N 47639842 is not Available

1шт.

8

81869801

SEAL

4шт.

9

84567014

PIN,5mm OD x 110mm L

1шт.

10

84534337

PIPE

3шт.

11

84534399

PIPE

1шт.

12

81863544

INSULATOR

ASSY, Incl 13, 14

1шт.

13

NSS

NOT SOLD SEPARAT

Baffle, Incl in 12

1шт.

14

81864025

BELLEVILLE WASHER

1шт.

15

11227924

BOLT,Hex, M10 x 1.25 x 28, 8.8, Full Thd

6шт.

16

14307324

HEX SOC SCREW,M10 x 1.25 x 20mm, Cl 8.8, Full Thd

2шт.

17

84534387

PIPE CLAMP

1шт.

18

12601474

WAVE WASHER,Wave, 10.50mm ID x 21.00mm OD x 0.80mm, 3.00mm, CST, DAC

1шт.

19

47447494

TUBE

1шт.

20

87347725

SEAL,34.1mm ID x 50mm OD x 10mm Thk

1шт.

21

83911411

O-RING,0.139" Thk x 3.734" ID, -240, Cl 6, 90 Duro

1шт.

22

15970924

SCREW,Hex, M10 x 1.25 x 35mm, Cl 8.8

4шт.

23

47633206

MANIFOLD

ASSY, Incl 3, 4, 24 - 27

1шт.

24

NSS

NOT SOLD SEPARAT

Manifold, Incl in 15

1шт.

25

47635731

PLUG

6шт.

26

81863085

PLUG

1шт.

27

47131203

RING,36.04mm ID x 47.06mm OD x 4mm Thk

1шт.

28

12648304

WASHER,10.2mm ID x 17mm OD x 1.5mm Thk

1шт.

29

81845038

O-RING,0.5" ID x 0.07" Thk

4шт.

Выбрано товаров: 33