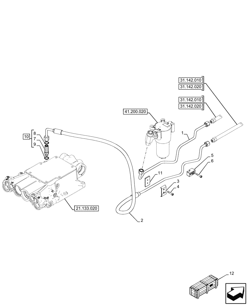
Запчасти Case IH FARMALL 120U (31.142.040) - VAR - 758288, 744943, 758578 - FRONT PTO, HYDRAULIC LINE (31) - IMPLEMENT POWER TAKE OFF

Схема запчастей Case IH FARMALL 120U - (31.142.040) - VAR - 758288, 744943, 758578 - FRONT PTO, HYDRAULIC LINE (31) - IMPLEMENT POWER TAKE OFF
21.133.020
12
6
11
2
10
7
4
8
1
5
9
3
31.142.020
31.142.020
31.142.010
31.142.010
41.200.020
FIT
1:1
100%

Артикул

Название

Примечание

Количество

1

47462282

TUBE

1шт.

2

47952948

TUBE

1шт.

3

5126927

CLIP

1шт.

4

86531615

HEX SOC SCREW,M6 x 20mm, Cl 8.8

2шт.

5

84368933

BRACKET

1шт.

6

16286324

BOLT,Hex, M6 x 30mm, Cl 8.8

1шт.

7

NSS

NOT SOLD SEPARAT

Connector, Incl in 10

1шт.

8

9993141

O-RING,0.07" Thk x 0.364" ID, -12, Cl 6, 90 Duro

1шт.

9

9617873

O-RING,0.078" Thk x 0.468" ID, -906, Cl 6, 90 Duro

1шт.

10

84349420

HYD CONNECTOR

ASSY, Incl 7 - 9

1шт.

11

5135036

SUPPORT

1шт.

12

718048010

DIA KIT, TRACTOR

Front PTO, Incl 1, 3 - 11

1шт.

To See Full DIA KIT Composition Look for all the Figures Where the DIA KIT P/N Is Shown

1шт.

12

718273070

DIA KIT, TRACTOR

FPTO for FHPL, Incl 7 - 10

1шт.

To See Full DIA KIT Composition Look for all the Figures Where the DIA KIT P/N Is Shown

1шт.

12

718823070

DIA KIT, TRACTOR

FPTO less FHPL, Incl 7 - 10

1шт.

To See Full DIA KIT Composition Look for all the Figures Where the DIA KIT P/N Is Shown

1шт.

12

718047010

DIA KIT, TRACTOR

FPTO less FHPL F/Suspended Front Axle, Incl 7 - 10

1шт.

To See Full DIA KIT Composition Look for all the Figures Where the DIA KIT P/N Is Shown

1шт.

12

718032010

DIA KIT, TRACTOR

Chassis Mounted D/A with FPTO, Incl 1, 3 - 11

1шт.

To See Full DIA KIT Composition Look for all the Figures Where the DIA KIT P/N Is Shown

1шт.

12

718747070

DIA KIT, TRACTOR

Chassis Mounted D/A with FPTO, Incl 1, 3 - 11

1шт.

To See Full DIA KIT Composition Look for all the Figures Where the DIA KIT P/N Is Shown

1шт.

12

718091010

DIA KIT, TRACTOR

Chassis Mounted D/A with FPTO F/Standard Front Axle, Incl 1, 3 - 11

1шт.

To See Full DIA KIT Composition Look for all the Figures Where the DIA KIT P/N Is Shown

1шт.

12

718237020

DIA KIT, TRACTOR

Chassis Mounted D/A with FPTO F/Suspended Front Axle, Incl 1, 3 - 11

1шт.

To See Full DIA KIT Composition Look for all the Figures Where the DIA KIT P/N Is Shown

1шт.

12

718034010

DIA KIT, TRACTOR

Chassis Mounted D/A with FPTO F/Suspended Front Axle, Incl 1, 3 - 11

1шт.

To See Full DIA KIT Composition Look for all the Figures Where the DIA KIT P/N Is Shown

1шт.

12

718089010

DIA KIT, TRACTOR

Chassis Mounted D/A with FPTO F/Standard Front Axle, Incl 1, 3 - 11

1шт.

To See Full DIA KIT Composition Look for all the Figures Where the DIA KIT P/N Is Shown

1шт.

Выбрано товаров: 31