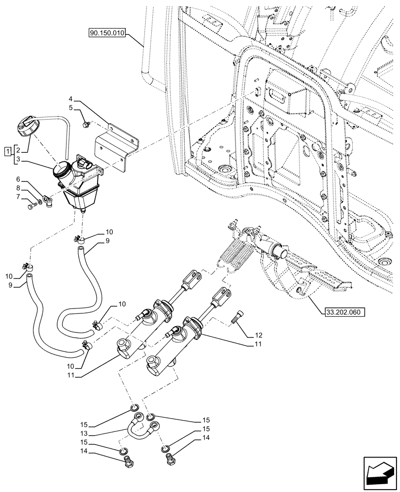
Запчасти Case IH FARMALL 120U (33.202.080) - VAR - 332147, 339434 - BRAKE RESERVOIR, BRAKE CYLINDER (33) - BRAKES & CONTROLS

Схема запчастей Case IH FARMALL 120U - (33.202.080) - VAR - 332147, 339434 - BRAKE RESERVOIR, BRAKE CYLINDER (33) - BRAKES & CONTROLS
90.150.010
15
14
2
12
15
11
9
13
9
3
14
15
10
7
4
8
11
10
6
5
15
10
10
1
33.202.060
FIT
1:1
100%

Артикул

Название

Примечание

Количество

1

47609929

BRAKE FLUID TANK

ASSY, Incl 2, 3

1шт.

2

47610925

FILLER CAP,Male, Vented, Lockable

1шт.

3

NSS

NOT SOLD SEPARAT

Reservoir, Incl in 1

1шт.

4

47887327

BRACKET

1шт.

5

87015907

BOLT,M6 x 10mm, Full Thd, 8.8 PHC

2шт.

6

10449890

CLAMP,6mm, Coat, 9mm Bolt Hole, P Type

1шт.

7

10902421

SCREW,Hex, M6 x 20mm, Cl 8.8

2шт.

8

10519421

WASHER,6.4mm ID x 11.95mm OD x 1.6mm Thk

2шт.

9

84234050

FLEXIBLE HOSE,Black, 7mm ID x 270mm L

2шт.

10

81864605

HOSE CLAMP,11.5mm - 14.75mm

4шт.

11

84603968

MASTER CYLINDER

2шт.

12

14302824

HEX SOC SCREW,M8 x 1.25 x 18mm, Cl 8.8, Full Thd

4шт.

13

5155701

TUBE

1шт.

14

5155703

BANJO BOLT,M12 x 1.25 x 22mm

2шт.

15

5183780

SEALING WASHER,9.73mm ID x 18mm OD x 1.5mm Thk

4шт.

Выбрано товаров: 15