Запчасти Case IH FARMALL 120U (33.224.010) - VAR - 758304, 758306, 758337 - PNEUMATIC TRAILER BRAKE, COVER (33) - BRAKES & CONTROLS

Схема запчастей Case IH FARMALL 120U - (33.224.010) - VAR - 758304, 758306, 758337 - PNEUMATIC TRAILER BRAKE, COVER (33) - BRAKES & CONTROLS
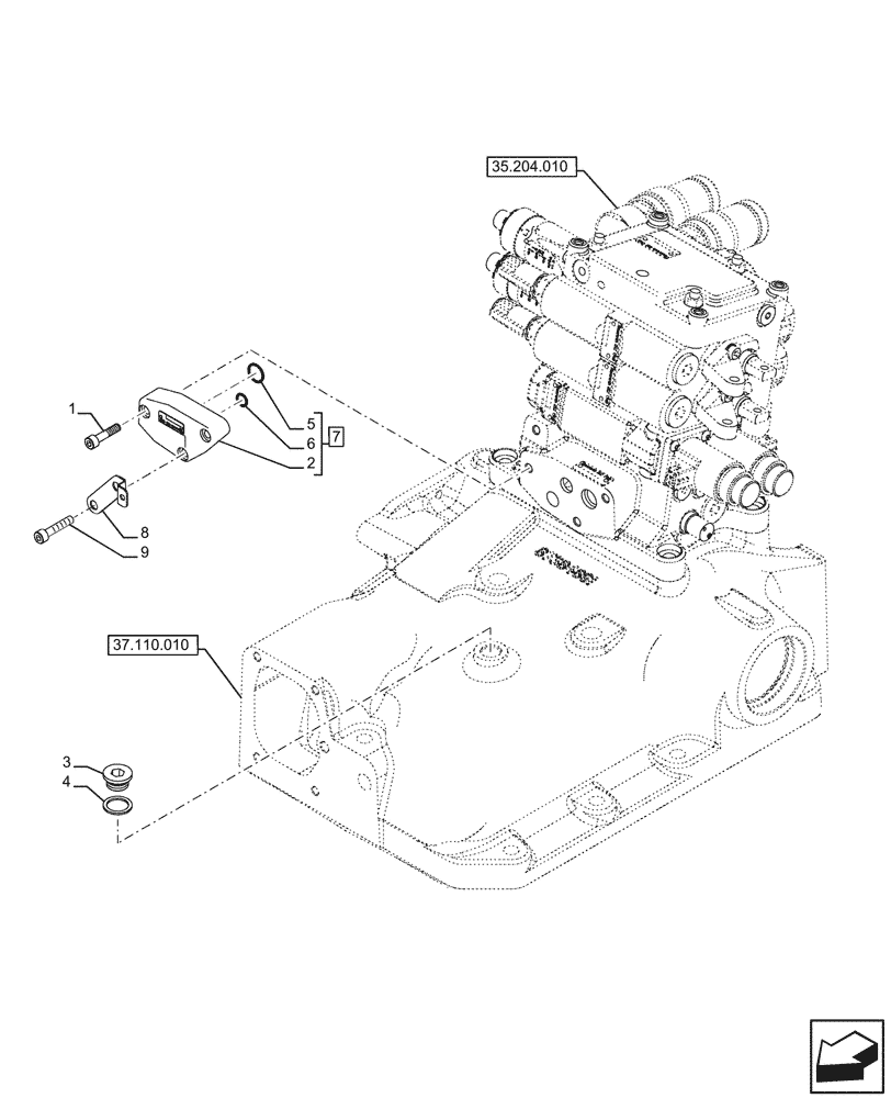
35.204.010
9
1
4
3
5
2
7
8
6
37.110.010
FIT
1:1
100%

Артикул

Название

Примечание

Количество

1

14306621

HEX SOC SCREW,M8 x 35mm, Cl 8.8, Full Thd

1шт.

2

NSS

NOT SOLD SEPARAT

Cover, Incl in 7

1шт.

3

10273111

PLUG,M18 x 1.5 x 13

1шт.

4

10259960

SEAL,Rectangular, 18.30mm ID x 24.00mm OD x 1.50mm, Copper

1шт.

5

81862872

O-RING,2.4mm Thk x 19.6mm ID

3шт.

6

81862879

O-RING,2.4mm Thk x 7.6mm ID

1шт.

7

5199101

COVER

ASSY, Incl 2, 5, 6

1шт.

8

47971394

BRACKET

1шт.

9

14306721

HEX SOC SCREW,M8 x 48mm, Cl 8.8

2шт.

Выбрано товаров: 9