Запчасти Case IH FARMALL 120U (35.100.050) - VAR - 334119, 390434 - HYDRAULIC LIFT, SUCTION PIPE (35) - HYDRAULIC SYSTEMS

Схема запчастей Case IH FARMALL 120U - (35.100.050) - VAR - 334119, 390434 - HYDRAULIC LIFT, SUCTION PIPE (35) - HYDRAULIC SYSTEMS
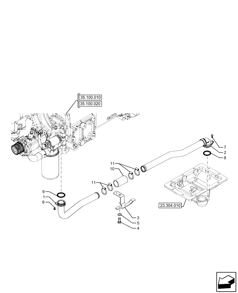
35.100.010
2
8
11
10
7
3
6
5
9
11
4
1
35.100.020
23.304.010
FIT
1:1
100%

Артикул

Название

Примечание

Количество

1

47595447

PIPE

From Suction

1шт.

2

47595443

PIPE

Rear Suction

1шт.

3

47595452

BRACKET

1шт.

4

11376231

BOLT,Hex, M16 x 1.5 x 35, 10.9, Full Thd

1шт.

5

14496901

WASHER,17mm ID x 30mm OD x 3mm Thk

1шт.

6

16043224

BOLT,Hex, M8 x 16mm, Cl 8.8

1шт.

7

16043524

SCREW,Hex, M8 x 1.25 x 22mm, Cl 8.8, Full Thd

1шт.

8

14464480

O-RING,0.139" Thk x 1.984" ID, -226, Cl 5, 75 Duro

1шт.

9

14464580

O-RING,0.139" Thk x 2.109" ID, -227, Cl 5, 75 Duro

1шт.

10

84389530

SLEEVE,48mm ID x 58mm OD x 10mm L

1шт.

11

13000790

HOSE CLAMP,40mm - 60mm, Worm Gear

4шт.

Выбрано товаров: 11