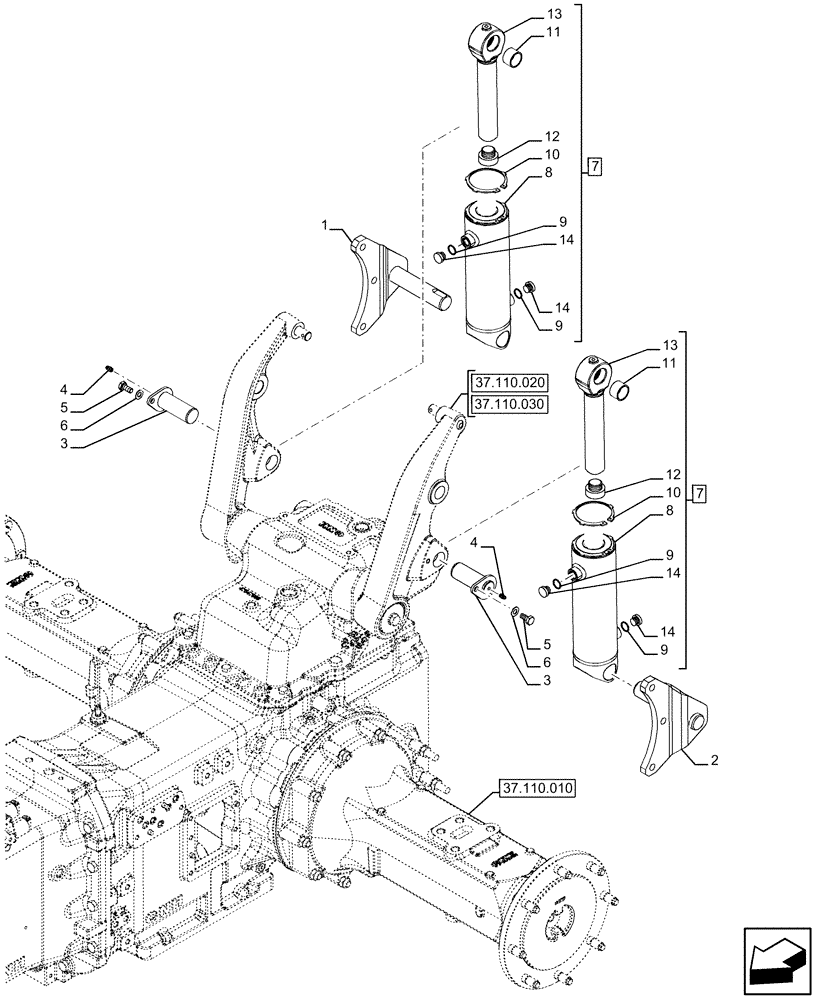
Запчасти Case IH FARMALL 120U (35.116.010) - VAR - 758289 - LIFT CYLINDER (35) - HYDRAULIC SYSTEMS

Схема запчастей Case IH FARMALL 120U - (35.116.010) - VAR - 758289 - LIFT CYLINDER (35) - HYDRAULIC SYSTEMS
37.110.030
6
1
7
8
2
12
14
9
14
9
5
10
3
11
3
13
5
8
4
6
13
7
12
9
4
11
10
9
14
14
37.110.010
37.110.020
FIT
1:1
100%

Артикул

Название

Примечание

Количество

1

47554348

SUPPORT

RH

1шт.

2

47554841

SUPPORT

LH

1шт.

3

5190967

PIN,34.7mm OD x 96mm L

2шт.

4

80714

LUBE NIPPLE,1/4"-28 NPT x .54" lg

2шт.

5

82034728

SET SCREW,Hex, M10 x 1.25 x 22mm, Cl 8.8

2шт.

6

12601474

WAVE WASHER,Wave, 10.50mm ID x 21.00mm OD x 0.80mm, 3.00mm, CST, DAC

2шт.

7

47582878

HYDRAULIC CYLINDER

ASSY, Incl 8 - 13

2шт.

8

NSS

NOT SOLD SEPARAT

Cylinder, Lift, Incl in 7

2шт.

9

47590863

SEAL KIT

1шт.

10

47590861

SNAP RING

1шт.

11

5198652

BUSHING

1шт.

12

87385633

BOLT

1шт.

13

NSS

NOT SOLD SEPARAT

Rod, Incl in 7

1шт.

14

NSS

NOT SOLD SEPARAT

Plug, Incl in 7

1шт.

Выбрано товаров: 14