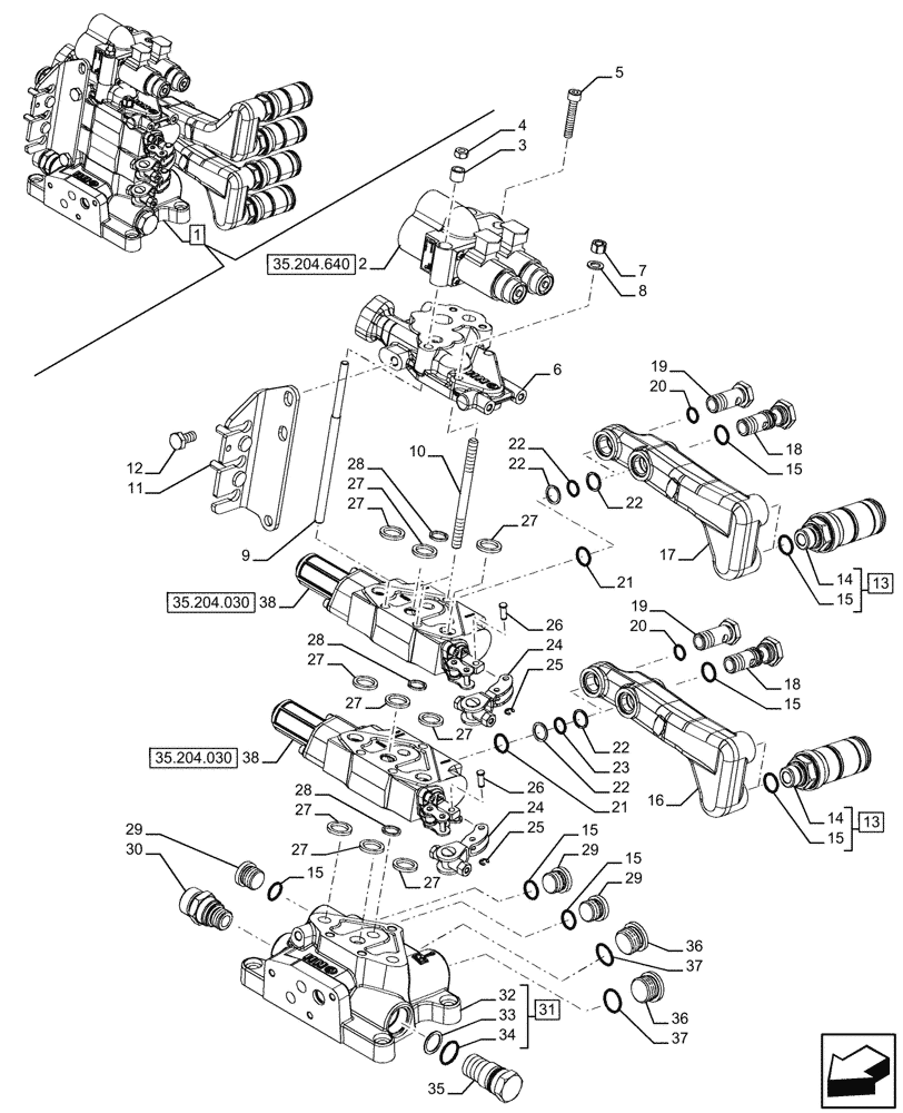
Запчасти Case IH FARMALL 120U (35.204.020) - VAR - 390183 - 2 REMOTE CONTROL VALVES, REAR, COMPONENTS (35) - HYDRAULIC SYSTEMS

Схема запчастей Case IH FARMALL 120U - (35.204.020) - VAR - 390183 - 2 REMOTE CONTROL VALVES, REAR, COMPONENTS (35) - HYDRAULIC SYSTEMS
35.204.030
27
21
27
25
22
18
12
27
29
20
11
13
17
35
26
27
15
23
18
36
38
14
15
13
9
15
29
27
22
24
28
15
38
34
27
31
27
28
3
14
15
29
6
27
22
8
26
19
37
32
22
25
22
15
30
28
10
2
24
21
5
19
37
27
33
20
15
16
1
4
7
36
35.204.640
35.204.030
FIT
1:1
100%

Артикул

Название

Примечание

Количество

1

47556433

DISTRIBUTOR

ASSY, Incl 2 - 38

1шт.

2

47671314

INCHING VALVE

ASSY

1шт.

3

47136143

SPACER,8.5mm ID x 14mm OD x 12mm L

1шт.

4

16100811

NUT,Hex, M8, 6.80mm, Cl 8, ZND

1шт.

5

14306821

HEX SOC SCREW,M8 x 45mm, Cl 8.8

2шт.

6

87396841

FLANGE

1шт.

7

5116857

NUT,3/8" - 24

2шт.

8

12648304

WASHER,10.2mm ID x 17mm OD x 1.5mm Thk

2шт.

9

87325111

THREADED ROD

1шт.

10

5150104

STUD,3/8" - 24 x 5"

2шт.

11

47866161

BRACKET

1шт.

12

15970524

BOLT,Hex, M10 x 1.25 x 20mm, Cl 8.8, Full Thd

2шт.

13

5179558

COUPLING, QUICK, FEM,Hex, M22 x 1.5 x 110.8mm L

ASSY, Incl 14, 15

4шт.

14

NSS

NOT SOLD SEPARAT

Coupling, Incl in 13

4шт.

15

14438085

O-RING,19.3mm ID x 2.4mm

6шт.

16

47555666

MANIFOLD

1шт.

17

47555670

MANIFOLD

1шт.

18

47135700

BANJO BOLT

2шт.

19

47136004

BANJO BOLT

2шт.

20

14437985

O-RING,15.3mm ID x 2.4mm

2шт.

21

14457480

O-RING,18.72mm ID x 2.62mm Thk , -116, Cl 5

4шт.

22

4958830

BACK-UP RING,16.26mm ID x 20.62mm OD x 1.14mm Thk

4шт.

23

14457281

O-RING,0.612" ID x 0.103" Width

2шт.

24

47787867

LEVER

2шт.

25

11087876

CIRCLIP,M7

2шт.

26

5172456

PIN,6mm OD x 20mm L

2шт.

27

87335172

SEALING RING,19mm ID x 26mm OD x 3mm Thk

9шт.

28

87357854

SEALING RING,15.5mm ID x 19.5mm OD x 2mm Thk

3шт.

29

10118811

PLUG,M22 x 1.5 x 14, Cl5.8

3шт.

30

47592023

HYD CONNECTOR

1шт.

31

84563608

MANIFOLD VALVE

ASSY, Incl 15 (Qty 2), 29 (Qty 2), 32 - 37

1шт.

32

NSS

NOT SOLD SEPARAT

Valve, Incl in 31

1шт.

33

10263360

SEAL,20.3mm ID x 26mm OD x 1mm Thk

1шт.

34

14453980

O-RING,0.07" Thk x 0.99" ID, -22, Cl 5, 75 Duro

1шт.

35

84563631

PLUG,M28 x 1.5

1шт.

36

10119011

PLUG,M27 x 2 x 20, Cl5.8

2шт.

37

14438185

O-RING,24mm ID x 3mm

2шт.

38

84406706

REMOTE CONTROL VALVE

2шт.

Выбрано товаров: 38