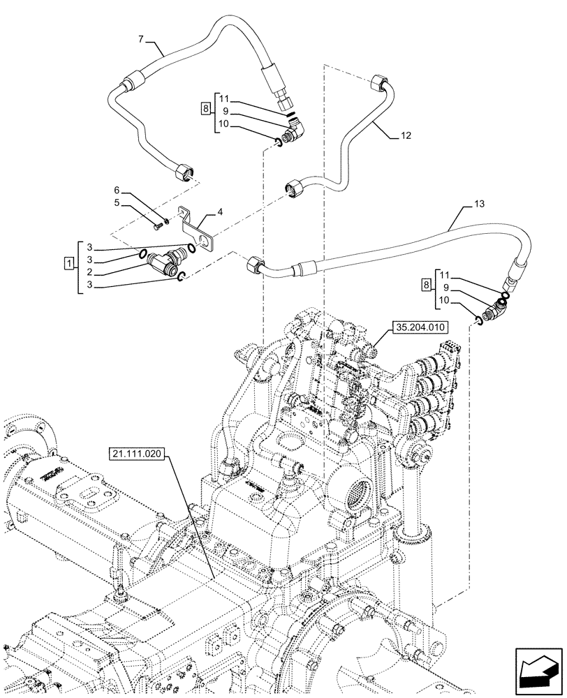
Запчасти Case IH FARMALL 120U (35.204.050) - VAR - 334121, 334195, 390183 - 2 REMOTE CONTROL VALVES, REAR, TRANSMISSION OIL (35) - HYDRAULIC SYSTEMS

Схема запчастей Case IH FARMALL 120U - (35.204.050) - VAR - 334121, 334195, 390183 - 2 REMOTE CONTROL VALVES, REAR, TRANSMISSION OIL (35) - HYDRAULIC SYSTEMS
21.111.020
9
12
3
10
8
8
2
11
7
3
3
6
9
13
4
1
5
11
10
35.204.010
FIT
1:1
100%

Артикул

Название

Примечание

Количество

1

47126866

HYD CONNECTOR

ASSY, Incl 2, 3

1шт.

2

NSS

NOT SOLD SEPARAT

Connector, Incl in 1

1шт.

3

5185512

O-RING,0.07" Thk x 0.614" ID, -16, Cl 6, 90 Duro

3шт.

4

47636599

BRACKET

1шт.

5

10902221

BOLT,Hex, M6 x 16mm, CL 8.8

1шт.

6

86624181

WASHER,M6

1шт.

7

47782334

HOSE

To Right Cylinder Lift

1шт.

8

5185052

90 ELBOW,13/16"-16 x M18 x 1.5

ASSY, Incl 9 - 11

2шт.

9

NSS

NOT SOLD SEPARAT

Elbow, Incl in 8

2шт.

10

14437985

O-RING,15.3mm ID x 2.4mm

1шт.

11

5185511

O-RING,1.78mm Thk x 12.42mm ID, 85 Duro

1шт.

12

47781961

PIPE

1шт.

13

47783018

HOSE

To Left Cylinder Lift

1шт.

Выбрано товаров: 13