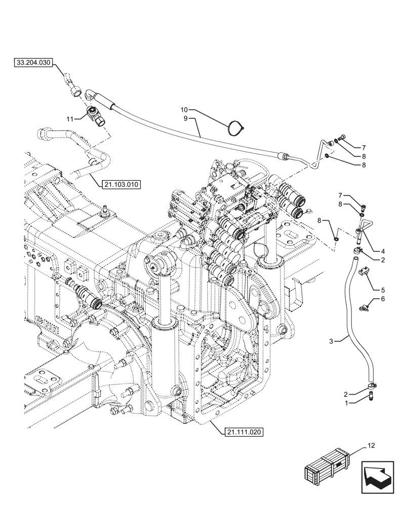
Запчасти Case IH FARMALL 120U (35.204.290) - VAR - 758295, 332844 - REAR REMOTE CONTROL VALVES, HYDR LINES (35) - HYDRAULIC SYSTEMS

Схема запчастей Case IH FARMALL 120U - (35.204.290) - VAR - 758295, 332844 - REAR REMOTE CONTROL VALVES, HYDR LINES (35) - HYDRAULIC SYSTEMS
21.111.020
10
12
11
2
8
8
1
9
3
7
8
2
8
6
7
5
4
33.204.030
21.103.010
FIT
1:1
100%

Артикул

Название

Примечание

Количество

1

5157395

FITTING

1шт.

2

10187090

HOSE CLAMP,16mm - 18mm

2шт.

3

47769166

PIPE

1шт.

4

47859945

PIPE

Return

1шт.

5

14503787

CLIP,8mm ID

1шт.

6

82033028

CABLE TIE,170mm L

1шт.

7

5175070

BANJO BOLT,M8 x 1.25 x 24mm

2шт.

8

87667800

SEALING WASHER,M8

4шт.

9

47769165

PIPE

1шт.

10

14560187

COLLAR,199mm L

1шт.

11

86514261

TEE,13/16" - 16 JIC x 13/16" - 16 ORFS x 13/16" - 16 ORFS

1шт.

12

718194070

DIA KIT, TRACTOR

Diverter for 3 Remotes, Incl 1 - 11

1шт.

To See Full KIT Composition Look for all the Figures Where the DIA KIT P/N Is Shown

1шт.

12

718194080

DIA KIT, TRACTOR

Diverter for 3 Remotes, Incl 1 - 11

1шт.

To See Full KIT Composition Look for all the Figures Where the DIA KIT P/N Is Shown

1шт.

12

710312070

DIA KIT, TRACTOR

Diverter for 3 Remotes, Incl 1 - 3, 5 - 7, 11

1шт.

Выбрано товаров: 16