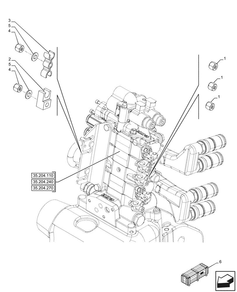
Запчасти Case IH FARMALL 120U (35.204.340) - VAR - 334121, 758294, 331844, 758295, 332844 - REAR REMOTE CONTROL VALVE, CLAMP, BRACKET (35) - HYDRAULIC SYSTEMS

Схема запчастей Case IH FARMALL 120U - (35.204.340) - VAR - 334121, 758294, 331844, 758295, 332844 - REAR REMOTE CONTROL VALVE, CLAMP, BRACKET (35) - HYDRAULIC SYSTEMS
35.204.270
5
4
6
5
3
1
1
1
4
2
35.204.110
35.204.240
FIT
1:1
100%

Артикул

Название

Примечание

Количество

1

82012528

NUT,Hex, M6 x 1

PTO Cable adjust

3шт.

2

47132225

BRACKET

Fixing Cable

1шт.

3

5191951

CLAMP,3 Hoses

1шт.

4

87597953

NUT,M8, 1.25 Pitch, 10.6mm High, Cl 8, ZND

2шт.

5

14496501

WASHER,8.4mm ID x 17mm OD x 1.6mm Thk

2шт.

6

719195090

DIA KIT, TRACTOR

3 Remote - 2 Coupler De Luxe and Oil Collecton Bottle, Incl 1, 2, 4, 5

1шт.

To See Full DIA KIT Composition Look for all the Figures Where the DIA KIT P/N Is Shown

1шт.

6

718193070

DIA KIT, TRACTOR

3 Remote - 2 Coupler De Luxe, Incl 1, 2, 4, 5

1шт.

To See Full DIA KIT Composition Look for all the Figures Where the DIA KIT P/N Is Shown

1шт.

6

718193080

DIA KIT, TRACTOR

3 Remote - 2 Coupler De Luxe, Incl 1, 2, 4, 5

1шт.

To See Full DIA KIT Composition Look for all the Figures Where the DIA KIT P/N Is Shown

1шт.

6

719405070

DIA KIT, TRACTOR

Flow Control, Incl 2, 4, 5

1шт.

To See Full DIA KIT Composition Look for all the Figures Where the DIA KIT P/N Is Shown

1шт.

Выбрано товаров: 13