Запчасти Case IH FARMALL 120U (35.204.520) - VAR - 342003, 342004, 744713, 758980 - PIPE, FOR LOADER, NA (35) - HYDRAULIC SYSTEMS

Схема запчастей Case IH FARMALL 120U - (35.204.520) - VAR - 342003, 342004, 744713, 758980 - PIPE, FOR LOADER, NA (35) - HYDRAULIC SYSTEMS
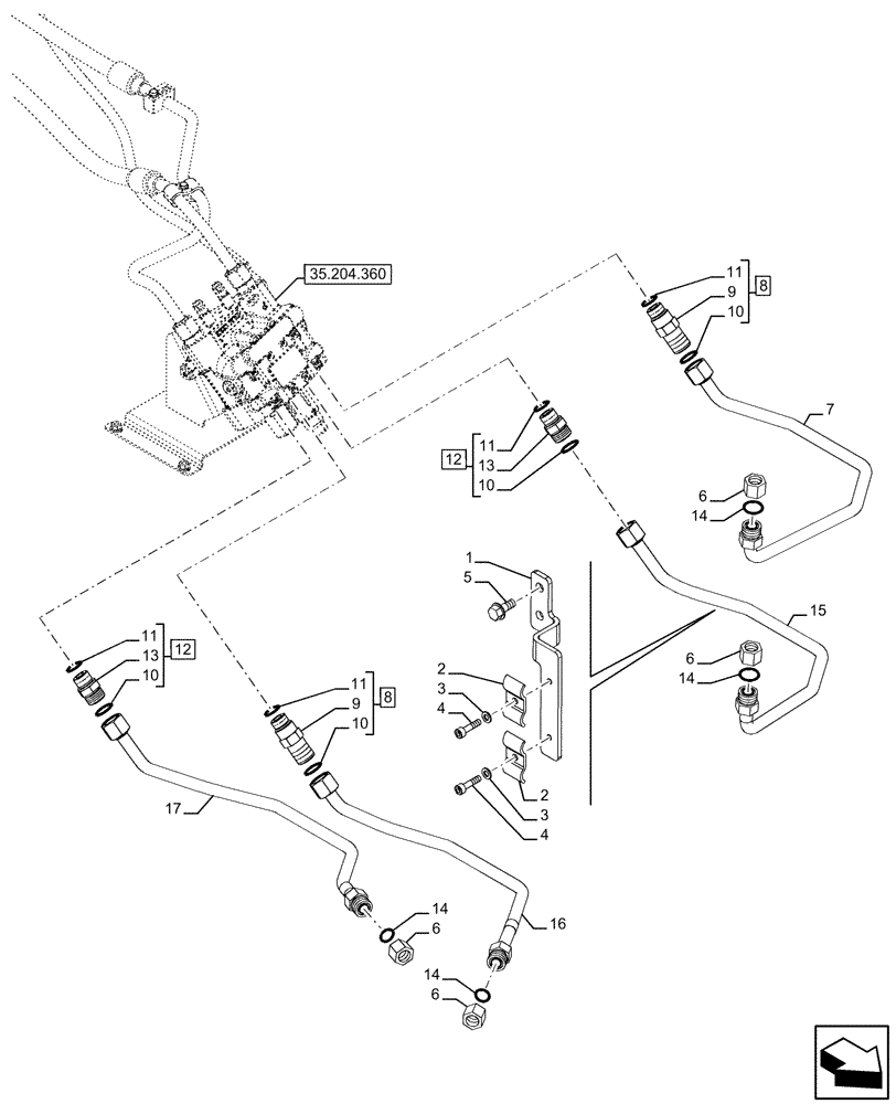
35.204.360
2
10
1
6
4
9
10
12
14
14
8
9
7
13
10
15
11
2
5
8
12
16
3
14
17
3
6
13
14
11
11
6
11
10
4
6
FIT
1:1
100%

Артикул

Название

Примечание

Количество

1

47629614

BRACKET

1шт.

2

84475431

BRACKET

2шт.

3

11194371

BELLEVILLE WASHER,M6 Bolt Size x 12mm OD x 1.4mm Thk

2шт.

4

9832203

HEX SOC SCREW,M6 x 25mm, Cl 8.8, Full Thd

2шт.

5

9804258

BOLT,Hex, M8 x 1.25 x 20mm, Cl 8.8

2шт.

6

9840576

CAP,1" - 14 ORFS

4шт.

7

47714493

PIPE

Loader Lower

1шт.

8

87480324

HYD CONNECTOR

ASSY, Incl 9, 10 (Qty 1), 11 (Qty 1)

2шт.

9

NSS

NOT SOLD SEPARAT

Connector, Icl in 8

1шт.

10

9992069

O-RING,0.07" Thk x 0.614" ID, -16, Cl 6, 90 Duro

2шт.

11

86598102

O-RING,2.2mm Thk x 19.3mm ID, Cl 6, 90 Duro

2шт.

12

86579680

HYD CONNECTOR,1"-14 ORFS x M22 x 1.5mm ORB

ASSY, Incl 13, 10 (Qty 1), 11 (Qty 1)

2шт.

13

NSS

NOT SOLD SEPARAT

Connector, Icl in 12

1шт.

14

5185512

O-RING,0.07" Thk x 0.614" ID, -16, Cl 6, 90 Duro

4шт.

15

47714495

PIPE

Loader Raise

1шт.

16

47822115

PIPE

Loader Bucket Scoop

1шт.

17

47822117

PIPE

Loader Bucket Dump

1шт.

Выбрано товаров: 0