Запчасти Case IH FARMALL 120U (35.204.530) - VAR - 342003, 342004, 744711, 744713, 758980 - PIPE, W/ ELECTROHYDRAULIC REMOTES, NA (35) - HYDRAULIC SYSTEMS

Схема запчастей Case IH FARMALL 120U - (35.204.530) - VAR - 342003, 342004, 744711, 744713, 758980 - PIPE, W/ ELECTROHYDRAULIC REMOTES, NA (35) - HYDRAULIC SYSTEMS
82.100.040
11
21
9
22
16
1
22
23
4
18
21
23
7
20
17
3
19
20
5
23
20
12
10
21
13
14
6
5
24
23
13
2
24
15
18
22
14
5
24
22
21
8
5
15
20
24
35.204.370
FIT
1:1
100%

Артикул

Название

Примечание

Количество

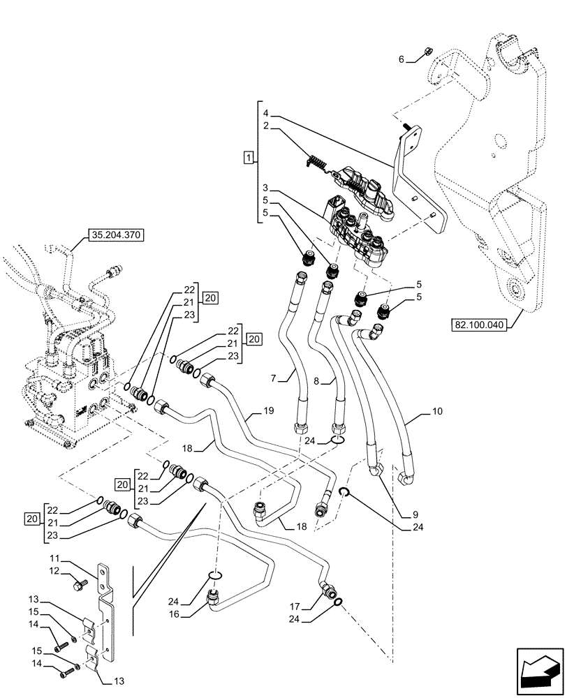
1

47695744

VALVE

ASSY, Incl 2 - 5

1шт.

2

47681549

DUST CAP

1шт.

3

47681462

HYD CONNECTOR

1шт.

4

NSS

NOT SOLD SEPARAT

Bracke, Incl in 1

1шт.

5

NSS

NOT SOLD SEPARAT

Connector, Incl in 1

4шт.

6

9804278

FLANGE NUT,M10 x 1.5, Cl 8

2шт.

7

47798163

HYDRAULIC HOSE

Loader Lower

1шт.

8

47798164

HYDRAULIC HOSE

Loader Raise

1шт.

9

47798165

HYDRAULIC HOSE

Loader Bucket Scoop

1шт.

10

47798166

HYDRAULIC HOSE

Loader Bucket Dump

1шт.

11

47629614

BRACKET

1шт.

12

9804258

BOLT,Hex, M8 x 1.25 x 20mm, Cl 8.8

2шт.

13

84475431

BRACKET

2шт.

14

9832203

HEX SOC SCREW,M6 x 25mm, Cl 8.8, Full Thd

2шт.

15

11194371

BELLEVILLE WASHER,M6 Bolt Size x 12mm OD x 1.4mm Thk

2шт.

16

47714506

PIPE

Loader Lower

1шт.

17

47822144

PIPE

Loader Bucket Dump

1шт.

18

47714508

PIPE

Loader Raise

1шт.

19

47822142

PIPE

Loader Bucket Scoop

1шт.

20

86579680

HYD CONNECTOR,1"-14 ORFS x M22 x 1.5mm ORB

ASSY, Incl 21 - 23

4шт.

21

NSS

NOT SOLD SEPARAT

Connector, Incl in 20

1шт.

22

86598102

O-RING,2.2mm Thk x 19.3mm ID, Cl 6, 90 Duro

1шт.

23

9992069

O-RING,0.07" Thk x 0.614" ID, -16, Cl 6, 90 Duro

1шт.

24

5185512

O-RING,0.07" Thk x 0.614" ID, -16, Cl 6, 90 Duro

4шт.

Выбрано товаров: 24