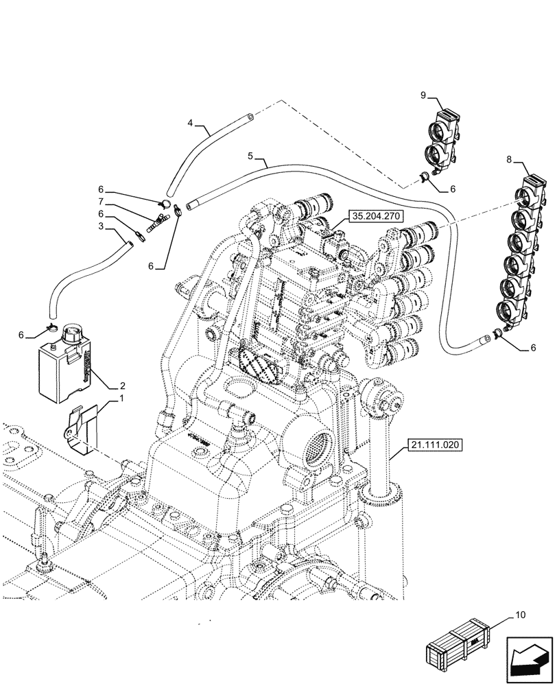
Запчасти Case IH FARMALL 120U (35.204.570) - VAR - 758295, 332844 - REMOTE CONTROL VALVE, RESERVOIR, DUST CAP, W/ DIVERTER (35) - HYDRAULIC SYSTEMS

Схема запчастей Case IH FARMALL 120U - (35.204.570) - VAR - 758295, 332844 - REMOTE CONTROL VALVE, RESERVOIR, DUST CAP, W/ DIVERTER (35) - HYDRAULIC SYSTEMS
21.111.020
6
6
6
3
10
6
8
6
1
5
2
6
9
4
7
35.204.270
FIT
1:1
100%

Артикул

Название

Примечание

Количество

1

47132144

BRACKET

1шт.

2

87555441

RESERVOIR, HYDRAULIC,600ml

1шт.

3

47738706

HOSE

1шт.

4

19308080

HOSE

1шт.

5

47831652

FUEL HOSE,7.5mm ID x 430mm L, Fabric Reinfr Rubber

1шт.

6

13423370

CLAMP,13.6mm - 15.1mm

6шт.

7

87397960

TEE,3 Hoses

1шт.

8

47873402

DUST CAP

1шт.

9

47854676

DUST CAP

1шт.

10

718194070

DIA KIT, TRACTOR

Diverter for 3 Remotes, Incl 4, 8

1шт.

To See Full DIA KIT Composition Look for all the Figures Where the DIA KIT P/N Is Shown

1шт.

10

718194080

DIA KIT, TRACTOR

Diverter for 3 Remotes, Incl 4, 8

1шт.

To See Full DIA KIT Composition Look for all the Figures Where the DIA KIT P/N Is Shown

1шт.

10

719195090

DIA KIT, TRACTOR

3 Remote - 2 Coupler De Luxe and Oil Collecton Bottle, Incl 3, 5 - 7, 9

1шт.

To See Full DIA KIT Composition Look for all the Figures Where the DIA KIT P/N Is Shown

1шт.

10

718193070

DIA KIT, TRACTOR

3 Remote - 2 Coupler De Luxe, Incl 5

1шт.

To See Full DIA KIT Composition Look for all the Figures Where the DIA KIT P/N Is Shown

1шт.

10

718193080

DIA KIT, TRACTOR

3 Remote - 2 Coupler De Luxe, Incl 5

1шт.

To See Full DIA KIT Composition Look for all the Figures Where the DIA KIT P/N Is Shown

1шт.

Выбрано товаров: 19