Запчасти Case IH FARMALL 120U (35.204.580) - VAR - 744712 - REMOTE CONTROL VALVE, PIPE, MULTIFASTER COUPLER, EU (35) - HYDRAULIC SYSTEMS

Схема запчастей Case IH FARMALL 120U - (35.204.580) - VAR - 744712 - REMOTE CONTROL VALVE, PIPE, MULTIFASTER COUPLER, EU (35) - HYDRAULIC SYSTEMS
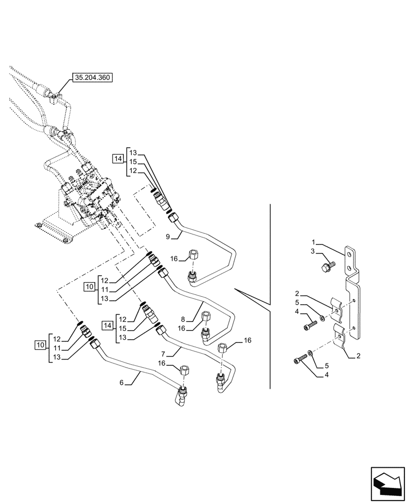
35.204.360
2
16
6
16
12
4
13
2
16
10
5
15
12
13
12
16
14
4
14
10
13
15
13
5
11
7
1
9
3
8
12
11
FIT
1:1
100%

Артикул

Название

Примечание

Количество

1

47629614

BRACKET

1шт.

2

84475431

BRACKET

2шт.

3

9804258

BOLT,Hex, M8 x 1.25 x 20mm, Cl 8.8

2шт.

4

9832203

HEX SOC SCREW,M6 x 25mm, Cl 8.8, Full Thd

2шт.

5

11194374

WASHER,Belleville, 6.4mm ID x 12mm OD

2шт.

6

47714499

PIPE

from Inching Valve to Hidraulic Multifaster

1шт.

7

47714497

PIPE

from Inching Valve to Hidraulic Multifaster

1шт.

8

47714495

PIPE

from Inching Valve to Hidraulic Multifaster

1шт.

9

47714493

PIPE

from Inching Valve to Hidraulic Multifaster

1шт.

10

86579680

HYD CONNECTOR,1"-14 ORFS x M22 x 1.5mm ORB

ASSY, Incl 11, 12 (Qty 1), 13 (Qty 1)

2шт.

11

NSS

NOT SOLD SEPARAT

Connector, Incl in 10

1шт.

12

86598102

O-RING,2.2mm Thk x 19.3mm ID, Cl 6, 90 Duro

4шт.

13

9992069

O-RING,0.07" Thk x 0.614" ID, -16, Cl 6, 90 Duro

4шт.

14

87480324

HYD CONNECTOR

ASSY, Incl 12 (Qty 1), 13 (Qty 1), 15

2шт.

15

NSS

NOT SOLD SEPARAT

Connector, Incl in 14

1шт.

16

9840576

CAP,1" - 14 ORFS

4шт.

Выбрано товаров: 16