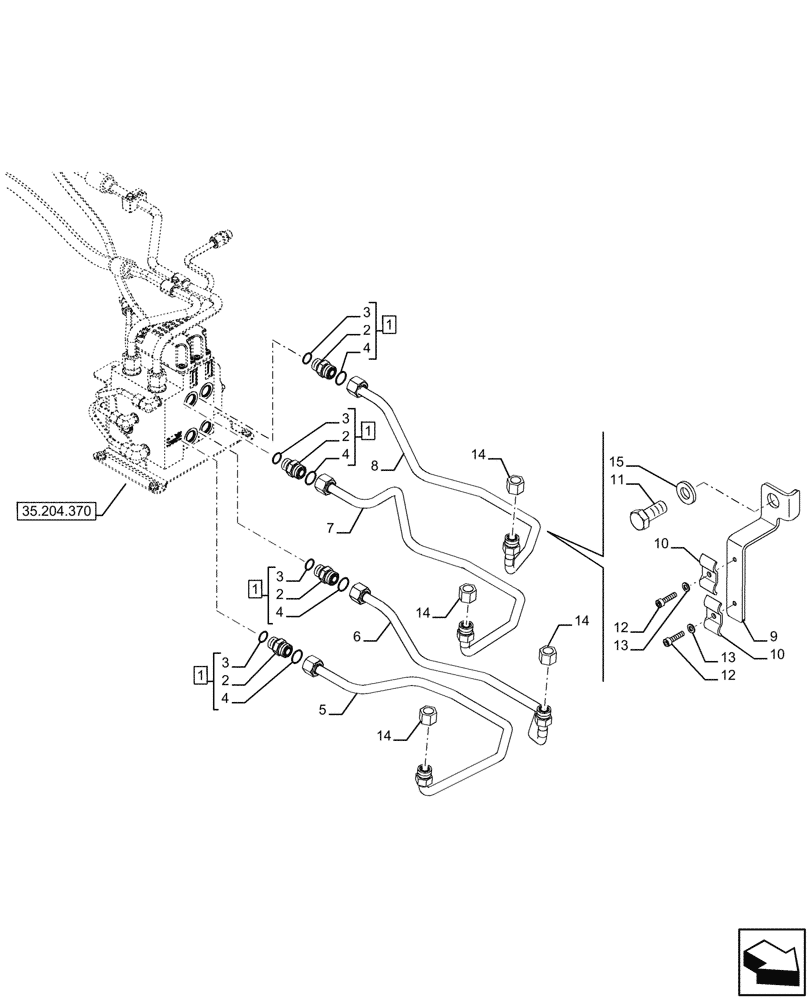
Запчасти Case IH FARMALL 120U (35.204.610) - VAR - 744711 - REMOTE CONTROL VALVE, PIPE, MULTIFASTER COUPLER, EU (35) - HYDRAULIC SYSTEMS

Схема запчастей Case IH FARMALL 120U - (35.204.610) - VAR - 744711 - REMOTE CONTROL VALVE, PIPE, MULTIFASTER COUPLER, EU (35) - HYDRAULIC SYSTEMS
1
12
2
11
3
9
14
2
10
10
13
5
8
4
3
4
2
14
12
6
14
1
3
4
3
4
1
15
1
2
7
13
14
35.204.370
FIT
1:1
100%

Артикул

Название

Примечание

Количество

1

86579680

HYD CONNECTOR,1"-14 ORFS x M22 x 1.5mm ORB

ASSY, Incl 2, 3 (Qty 1), 4 (Qty 1)

4шт.

2

NSS

NOT SOLD SEPARAT

Connector, Incl in 1

1шт.

3

9992069

O-RING,0.07" Thk x 0.614" ID, -16, Cl 6, 90 Duro

4шт.

4

86598102

O-RING,2.2mm Thk x 19.3mm ID, Cl 6, 90 Duro

4шт.

5

47714506

PIPE

1шт.

6

47714501

PIPE

1шт.

7

47714508

PIPE

1шт.

8

47714503

PIPE

1шт.

9

47701402

BRACKET

1шт.

10

84475431

BRACKET

2шт.

11

86500658

BOLT,Hex, M20 x 2.5 x 45mm, Cl 10.9

1шт.

12

9832203

HEX SOC SCREW,M6 x 25mm, Cl 8.8, Full Thd

2шт.

13

11194374

WASHER,Belleville, 6.4mm ID x 12mm OD

2шт.

14

9840576

CAP,1" - 14 ORFS

4шт.

15

11191879

BELLEVILLE WASHER,Belleville, 20mm ID x 38mm OD x 5.2mm Thk

1шт.

Выбрано товаров: 15