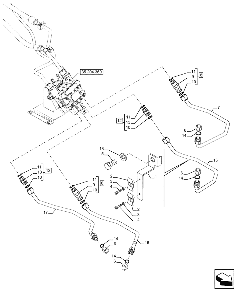
Запчасти Case IH FARMALL 120U (35.204.620) - VAR - 744711 - PIPE, FOR LOADER, NA (35) - HYDRAULIC SYSTEMS

Схема запчастей Case IH FARMALL 120U - (35.204.620) - VAR - 744711 - PIPE, FOR LOADER, NA (35) - HYDRAULIC SYSTEMS
35.204.360
9
15
6
13
9
4
2
4
8
11
14
10
11
1
10
10
8
11
13
11
14
6
18
5
16
3
6
10
14
6
17
12
7
14
2
3
12
FIT
1:1
100%

Артикул

Название

Примечание

Количество

1

47701402

BRACKET

1шт.

2

84475431

BRACKET

2шт.

3

11194374

WASHER,Belleville, 6.4mm ID x 12mm OD

2шт.

4

9832203

HEX SOC SCREW,M6 x 25mm, Cl 8.8, Full Thd

2шт.

5

86500658

BOLT,Hex, M20 x 2.5 x 45mm, Cl 10.9

1шт.

6

9840576

CAP,1" - 14 ORFS

4шт.

7

47714493

PIPE

Loader Lower

1шт.

8

87480324

HYD CONNECTOR

ASSY, Incl 9, 10 (Qty 1), 11 (Qty 1)

2шт.

9

NSS

NOT SOLD SEPARAT

Connector, Icl in 8

1шт.

10

9992069

O-RING,0.07" Thk x 0.614" ID, -16, Cl 6, 90 Duro

2шт.

11

86598102

O-RING,2.2mm Thk x 19.3mm ID, Cl 6, 90 Duro

2шт.

12

86579680

HYD CONNECTOR,1"-14 ORFS x M22 x 1.5mm ORB

ASSY, Incl 13, 10 (Qty 1), 11 (Qty 1)

2шт.

13

NSS

NOT SOLD SEPARAT

Connector, Icl in 12

1шт.

14

5185512

O-RING,0.07" Thk x 0.614" ID, -16, Cl 6, 90 Duro

4шт.

15

47714495

PIPE

Loader Raise

1шт.

16

47822115

PIPE

Loader Bucket Scoop

1шт.

17

47822117

PIPE

Loader Bucket Dump

1шт.

18

11191879

BELLEVILLE WASHER,Belleville, 20mm ID x 38mm OD x 5.2mm Thk

1шт.

Выбрано товаров: 18