Запчасти Case IH FARMALL 120U (37.100.030) - VAR - 330905 - DRAWBAR AND HITCH, NA (37) - HITCHES, DRAWBARS & IMPLEMENT COUPLINGS

Схема запчастей Case IH FARMALL 120U - (37.100.030) - VAR - 330905 - DRAWBAR AND HITCH, NA (37) - HITCHES, DRAWBARS & IMPLEMENT COUPLINGS
37.100.010
3
8
5
4
1
7
2
6
21.111.020
31.114.010
37.120.010
FIT
1:1
100%

Артикул

Название

Примечание

Количество

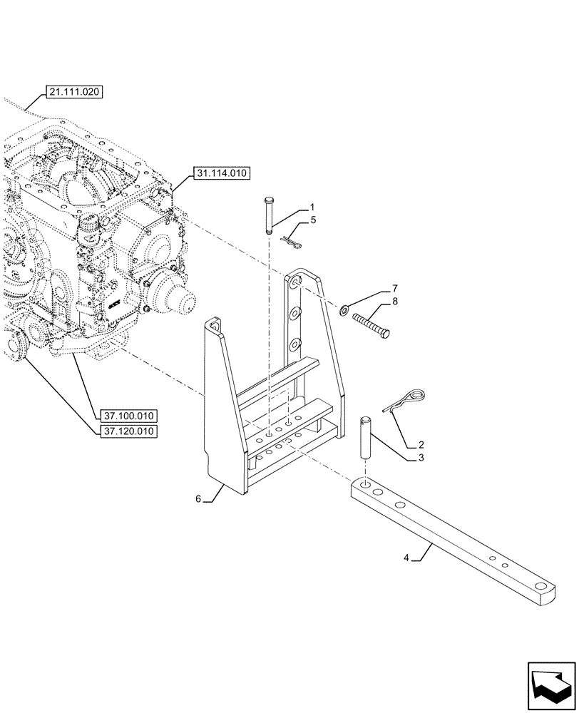
1

5181758

PIN,16mm OD x 119.5mm L

2шт.

2

82000094

SPRING,40mm OD x 142mm L

1шт.

3

82006933

PIN,28mm OD x 134mm L

1шт.

4

5180877

DRAWBAR,780mm L x 60mm W x 40mm Thk

1шт.

5

82026318

COTTER PIN,1/8 x 2 5/16

2шт.

6

5199428

SUPPORT

1шт.

7

11194274

BELLEVILLE WASHER,M16 Bolt Size x 32mm OD x 3.4mm Thk

6шт.

8

15981834

BOLT,Hex, M16 x 1.5 x 120mm, Cl 10.9

6шт.

Выбрано товаров: 8