Запчасти Case IH FARMALL 120U (55.000.00[03]) - SECTION INDEX - ELECTRICAL SYSTEMS (55) - ELECTRICAL SYSTEMS

Схема запчастей Case IH FARMALL 120U - (55.000.00[03]) - SECTION INDEX - ELECTRICAL SYSTEMS (55) - ELECTRICAL SYSTEMS
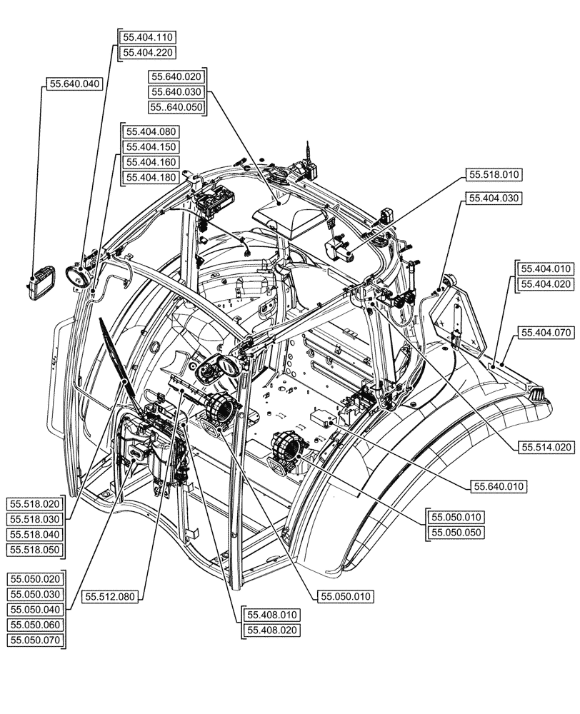
55.408.020
55.518.050
55.518.020
55.050.030
55.050.070
55.050.050
55.050.040
55.050.020
55.404.010
55.050.010
55.050.010
55.518.030
55.404.020
55.050.060
55.518.010
55.518.040
55.404.030
55.640.040
55.404.220
55.404.110
55.404.180
55.640.010
55.404.070
55.404.160
55.640.030
55.404.080
55..640.050
55.512.080
55.404.150
55.514.020
55.640.020
55.408.010
FIT
1:1
100%