Запчасти Case IH FARMALL 120U (55.031.010) - VAR - 331444, 332147, 335387, 336730, 339434, 391246 - PARKING BRAKE, SWITCH, EU (55) - ELECTRICAL SYSTEMS

Схема запчастей Case IH FARMALL 120U - (55.031.010) - VAR - 331444, 332147, 335387, 336730, 339434, 391246 - PARKING BRAKE, SWITCH, EU (55) - ELECTRICAL SYSTEMS
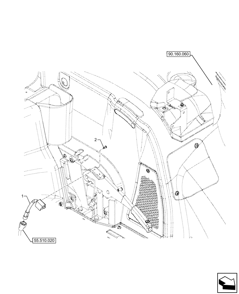
55.510.020
1
2
90.160.060
FIT
1:1
100%

Артикул

Название

Примечание

Количество

1

84142375

PARK BRAKE SWITCH

Handbreak Warning

1шт.

2

82007240

SCREW,Round Washer, 3mm OD x 1.34mm Thd

2шт.

Выбрано товаров: 2