Запчасти Case IH FARMALL 120U (55.202.020) - VAR - 744982 - COLD START SYSTEM, BLOCK HEATER (120V), NA (55) - ELECTRICAL SYSTEMS

Схема запчастей Case IH FARMALL 120U - (55.202.020) - VAR - 744982 - COLD START SYSTEM, BLOCK HEATER (120V), NA (55) - ELECTRICAL SYSTEMS
23.304.010
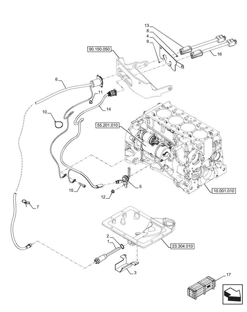
2
17
12
11
10
8
13
1
7
4
9
15
14
6
3
5
16
90.150.050
10.001.010
55.201.010
FIT
1:1
100%

Артикул

Название

Примечание

Количество

1

84130678

HEATER,110V

1шт.

2

81903721

O-RING,0.116" Thk x 1.048" ID, -914, Cl 6, 90 Duro

1шт.

3

47527977

SHIELD

1шт.

4

47491103

BRACKET

1шт.

5

87693857

HEATER,820W - 120V

1шт.

6

84397506

ELECTRIC CABLE,78mm L

1шт.

7

82013031

CABLE TIE,193mm L

3шт.

8

13271914

SCREW,Pozidriv Pan Hd, M4 x 10mm, Cl 5.8, Full Thd

2шт.

9

10794011

NUT,M4, Cl 8

2шт.

10

14560187

COLLAR,199mm L

3шт.

11

14560087

CABLE TIE,103mm, Black

1шт.

12

86050279

FLANGE NUT,M10 x 1.5, Cl 10

1шт.

13

47537833

WIRE HARNESS

1шт.

14

47576910

ELECTRIC CABLE

1шт.

15

14420421

HEX SOC SCREW,M10 x 40mm, Cl 8.8, Full Thd

1шт.

16

47541166

ELECTRIC CABLE

1шт.

17

718082010

DIA KIT, TRACTOR

120V Engine Block Heater and Transmission Oil Heater, Incl 1 - 15

1шт.

To See Full DIA KIT Composition Look for all the Figures Where the DIA KIT P/N Is Shown

1шт.

Выбрано товаров: 18