Запчасти Case IH FARMALL 120U (55.202.030) - VAR - 744981 - COLD START SYSTEM, BLOCK HEATER (240V), EU (55) - ELECTRICAL SYSTEMS

Схема запчастей Case IH FARMALL 120U - (55.202.030) - VAR - 744981 - COLD START SYSTEM, BLOCK HEATER (240V), EU (55) - ELECTRICAL SYSTEMS
23.304.010
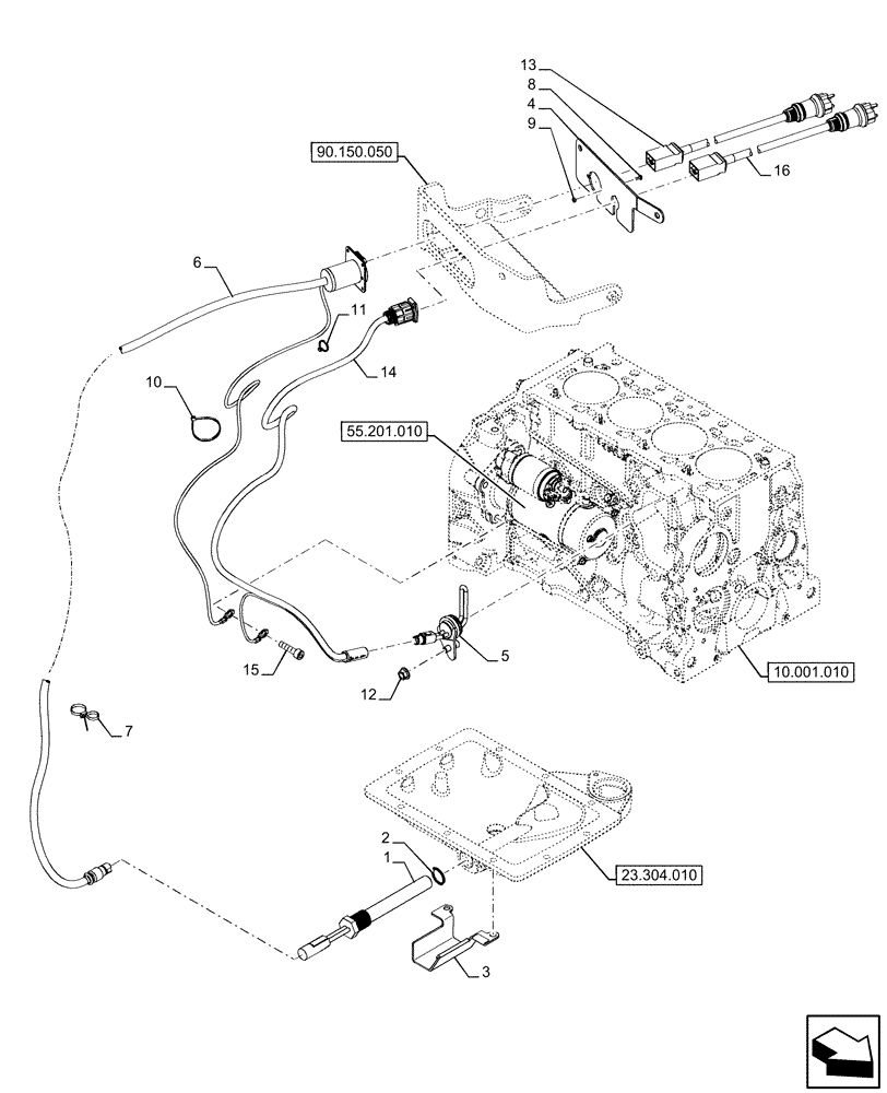
5
15
12
11
7
9
14
16
1
8
13
10
3
2
4
6
90.150.050
10.001.010
55.201.010
FIT
1:1
100%

Артикул

Название

Примечание

Количество

1

82030789

HEATER,240V

1шт.

2

81903721

O-RING,0.116" Thk x 1.048" ID, -914, Cl 6, 90 Duro

1шт.

3

47527977

SHIELD

1шт.

4

47491103

BRACKET

1шт.

5

87719400

HEATER,820W - 230V

1шт.

6

47528327

WIRE HARNESS

1шт.

7

82013031

CABLE TIE,193mm L

3шт.

8

13271914

SCREW,Pozidriv Pan Hd, M4 x 10mm, Cl 5.8, Full Thd

2шт.

9

10794011

NUT,M4, Cl 8

2шт.

10

14560187

COLLAR,199mm L

3шт.

11

14560087

CABLE TIE,103mm, Black

4шт.

12

86050279

FLANGE NUT,M10 x 1.5, Cl 10

1шт.

13

47541050

WIRE HARNESS

1шт.

14

47576907

ELECTRIC CABLE

1шт.

15

14420421

HEX SOC SCREW,M10 x 40mm, Cl 8.8, Full Thd

1шт.

16

47541089

ELECTRIC CABLE

1шт.

Выбрано товаров: 16