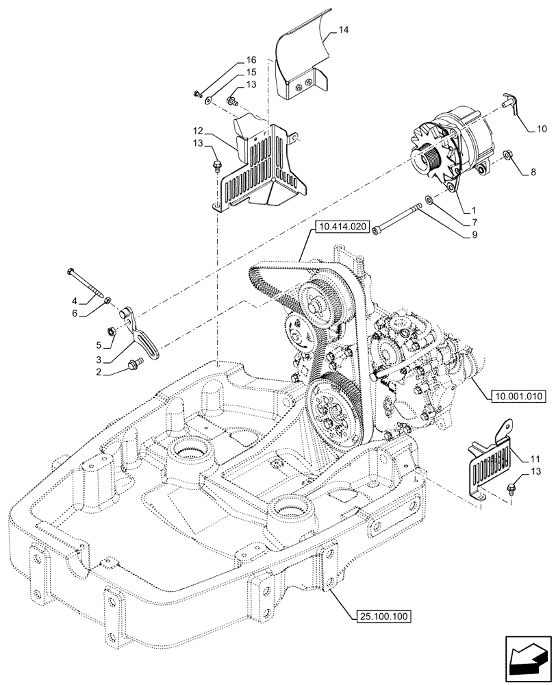
Запчасти Case IH FARMALL 120U (55.301.010) - VAR - 391192 - ALTERNATOR (120A), GUARD (55) - ELECTRICAL SYSTEMS

Схема запчастей Case IH FARMALL 120U - (55.301.010) - VAR - 391192 - ALTERNATOR (120A), GUARD (55) - ELECTRICAL SYSTEMS
10.414.020
15
3
13
2
12
16
4
9
6
8
5
13
11
1
7
13
10
14
10.001.010
25.100.100
FIT
1:1
100%

Артикул

Название

Примечание

Количество

1

47383500

ALTERNATOR,14V, 120A, W/Pulley

1шт.

2

16587124

FLANGE BOLT,Hex, M10 x 25mm, Cl 8.8, Full Thd

1шт.

3

47371513

BELT TENSIONER

1шт.

4

47371514

ADJUSTMENT SCREW,Hex, M8 x 1.25 x 100mm

1шт.

5

47474782

NUT,Hex, M10 x 1.25

1шт.

6

16100821

NUT,M8, Cl 10

1шт.

7

11198374

BELLEVILLE WASHER,M10 Bolt Size x 20mm OD x 2.6mm Thk

1шт.

8

14059421

FLANGE NUT,Hex, M10 x 1.25, Cl. 10

1шт.

9

15972421

SCREW,Hex, M10 x 1.25 x 130mm, Cl 8.8

1шт.

10

84569202

BRACKET

1шт.

11

47397982

GUARD

LH

1шт.

12

47544110

GUARD

RH

1шт.

13

16287021

BOLT,Hex, M8 x 16mm, Cl 8.8, Full Thd

3шт.

14

47375716

GUARD

RH

1шт.

15

11194774

BELLEVILLE WASHER,M6 Bolt Size x 18mm OD x 1.4mm Thk

2шт.

16

10902124

SCREW,Hex, M6 x 14mm, Cl 8.8

2шт.

Выбрано товаров: 16