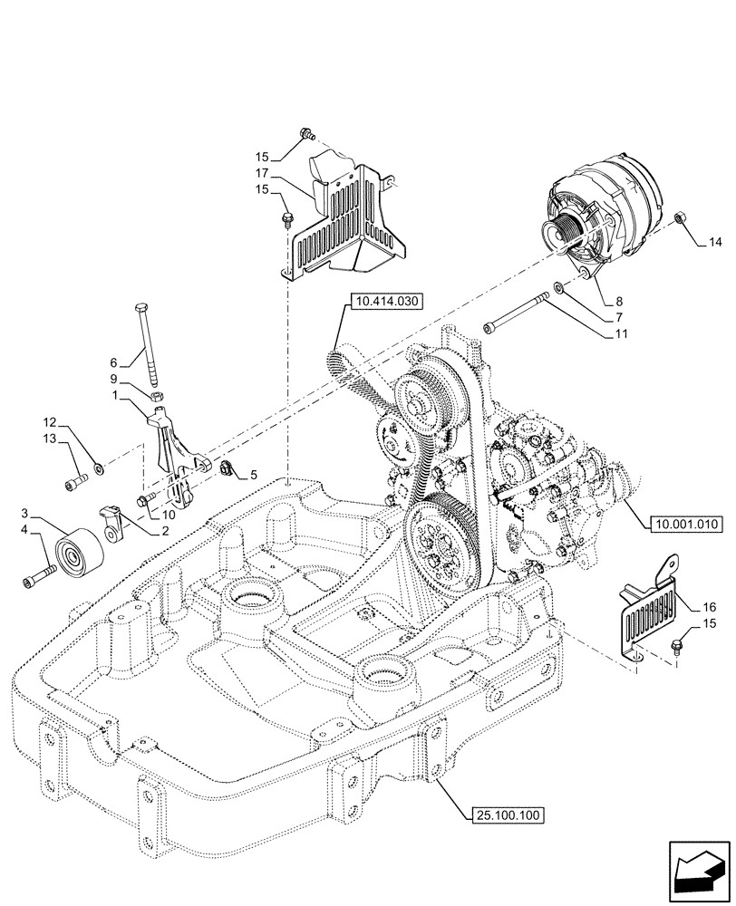
Запчасти Case IH FARMALL 120U (55.301.020) - VAR - 332192 - ALTERNATOR (150A-200A), GUARD (55) - ELECTRICAL SYSTEMS

Схема запчастей Case IH FARMALL 120U - (55.301.020) - VAR - 332192 - ALTERNATOR (150A-200A), GUARD (55) - ELECTRICAL SYSTEMS
10.414.030
4
10
7
16
8
15
14
1
5
13
12
9
15
3
11
2
15
6
17
10.001.010
25.100.100
FIT
1:1
100%

Артикул

Название

Примечание

Количество

1

47875177

SUPPORT,0

1шт.

2

47875750

BRACKET,0

1шт.

3

47462365

IDLER,70mm OD

1шт.

4

87530644

SCREW,M10 x 55mm, Cl 8.8

1шт.

5

47462371

THREADED BUSHING,10mm ID x 10.5mm L

1шт.

6

47464504

ADJUSTMENT SCREW,Hex, M10 x 1.5 x 145mm, Cl 10.9

1шт.

7

11198374

BELLEVILLE WASHER,M10 Bolt Size x 20mm OD x 2.6mm Thk

1шт.

8

47514881

ALTERNATOR,14V, 200A, W/ Pulley

1шт.

9

100016

NUT,M10 x 1.5, Cl 8

1шт.

10

87698833

BOLT,M8 x 33.1mm, Cl 10.9

1шт.

11

2168573

SCREW,Hex Soc Hd, M10 x 130mm, Cl 8.8

1шт.

12

13550404

WASHER,10.2mm ID x 20mm OD x 2mm Thk

1шт.

13

14420234

SCREW,M10 x 1.5 x 30mm, Cl 10.9, Full Thd

1шт.

14

86050279

FLANGE NUT,M10 x 1.5, Cl 10

1шт.

15

16287021

BOLT,Hex, M8 x 16mm, Cl 8.8, Full Thd

3шт.

16

47397982

GUARD

LH

1шт.

17

47544110

GUARD

RH

1шт.

Выбрано товаров: 17