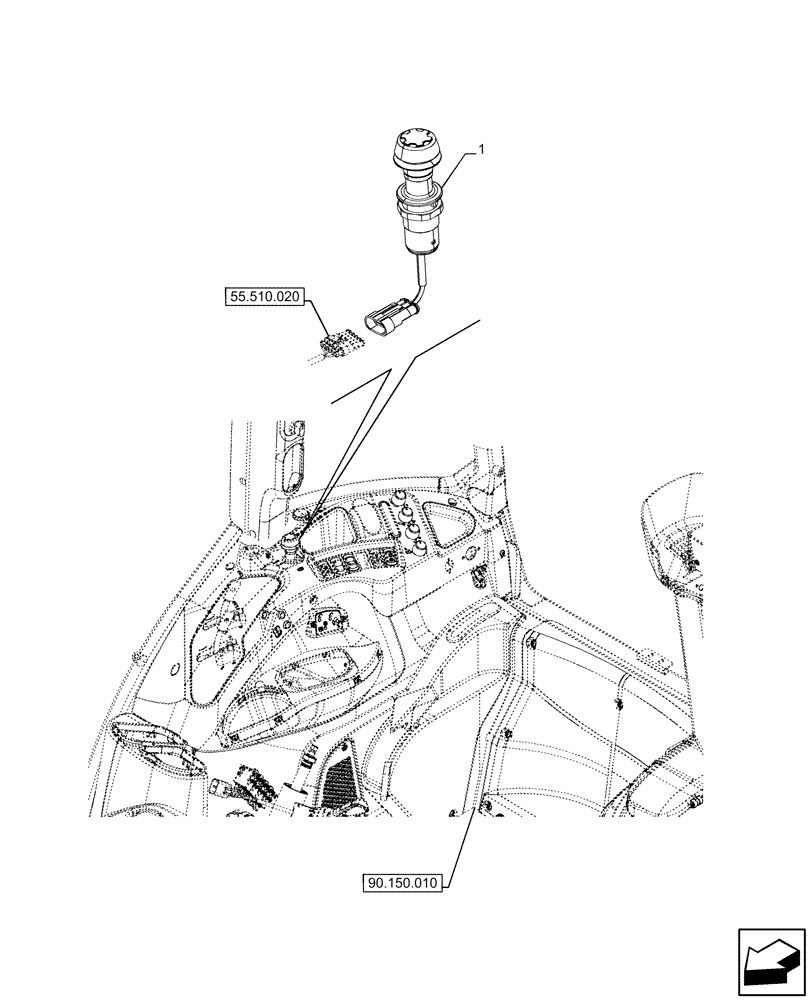
Запчасти Case IH FARMALL 120U (55.522.020) - VAR - 331444, 332147, 335387, 336730, 339434, 391246 - PTO, FRONT, SWITCH (55) - ELECTRICAL SYSTEMS

Схема запчастей Case IH FARMALL 120U - (55.522.020) - VAR - 331444, 332147, 335387, 336730, 339434, 391246 - PTO, FRONT, SWITCH (55) - ELECTRICAL SYSTEMS
90.150.010
1
55.510.020
FIT
1:1
100%

Артикул

Название

Примечание

Количество

1

87311254

SWITCH ASSY

1шт.

Выбрано товаров: 1