Запчасти Case IH FARMALL 120U (55.988.070) - VAR - 334773, 391263 - DEF/ADBLUE™, MODULE (55) - ELECTRICAL SYSTEMS

Схема запчастей Case IH FARMALL 120U - (55.988.070) - VAR - 334773, 391263 - DEF/ADBLUE™, MODULE (55) - ELECTRICAL SYSTEMS
10.216.020
3
4
2
5
1
55.988.080
55.015.020
55.015.020
FIT
1:1
100%

Артикул

Название

Примечание

Количество

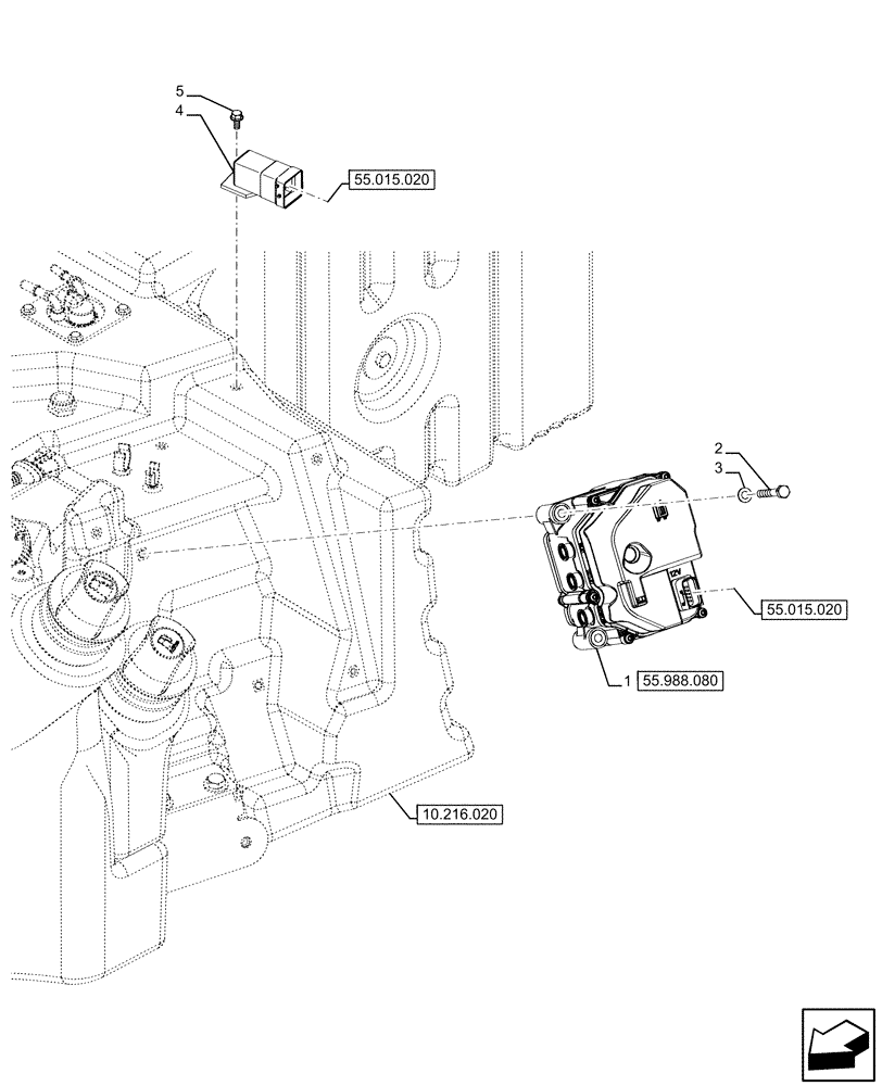
1

47750812

MODULE

1шт.

2

16044421

SCREW,Hex, M8 x 60mm, Cl 8.8

3шт.

3

11193874

BELLEVILLE WASHER,M8 Bolt Size x 16mm OD x 1.4mm Thk

3шт.

4

47392139

CONTROL UNIT,12V

1шт.

5

16296924

FLANGE BOLT,Hvy Hex, M6 x 14mm, Cl 8.8, Full Thd

1шт.

Выбрано товаров: 5