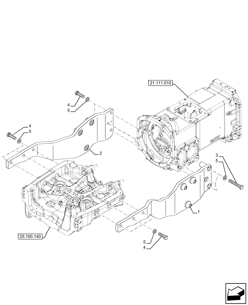
Запчасти Case IH FARMALL 120U (82.100.010) - VAR - 336795, 342003, 342004 - W/ LOADER READY, EU (82) - FRONT LOADER & BUCKET

Схема запчастей Case IH FARMALL 120U - (82.100.010) - VAR - 336795, 342003, 342004 - W/ LOADER READY, EU (82) - FRONT LOADER & BUCKET
21.111.010
5
4
4
3
4
5
5
5
2
1
25.100.140
FIT
1:1
100%

Артикул

Название

Примечание

Количество

1

47527062

BRACKET

LH, Side Rail Support

1шт.

2

47549639

BRACKET

RH, Side Rail Support

1шт.

3

86639145

BOLT,Hex, M20 x 130mm, Cl 10.9

3шт.

4

412641

BOLT,Hex, M20 x 2.5 x 70mm, Cl 10.9

9шт.

5

11191879

BELLEVILLE WASHER,Belleville, 20mm ID x 38mm OD x 5.2mm Thk

12шт.

Выбрано товаров: 0