Запчасти Case IH FARMALL 120U (88.100.037[06]) - DIA KIT, FRONT, 3 POINT HITCH, SUPPORT, PLATE (88) - ACCESSORIES

Схема запчастей Case IH FARMALL 120U - (88.100.037[06]) - DIA KIT, FRONT, 3 POINT HITCH, SUPPORT, PLATE (88) - ACCESSORIES
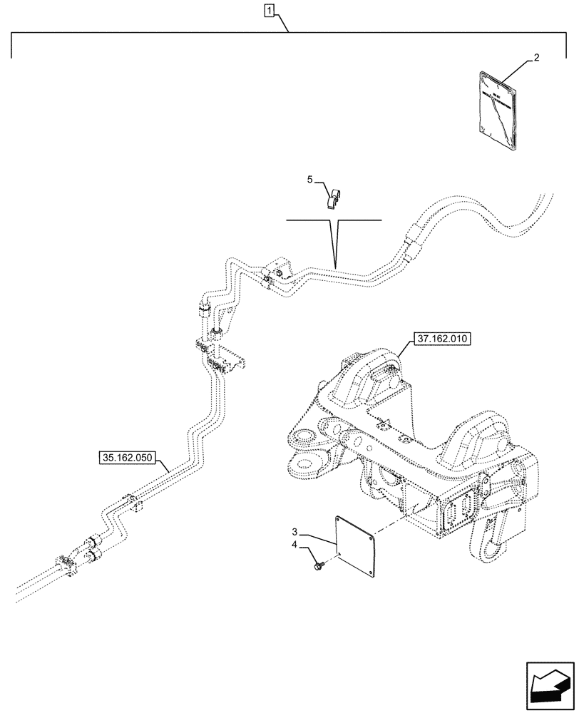
35.162.050
2
5
4
1
3
37.162.010
FIT
1:1
100%

Артикул

Название

Примечание

Количество

1

718746070

DIA KIT, TRACTOR

Chassis Mounted D/A less FPTO, Incl 2 - 5

1шт.

To See Full KIT Composition Look for all the Figures Where the DIA KIT P/N Is Shown

1шт.

2

47668374

INSTRUCTION

1шт.

3

84529951

COVER PLATE

1шт.

4

16296924

FLANGE BOLT,Hvy Hex, M6 x 14mm, Cl 8.8, Full Thd

4шт.

5

82039687

HOSE CLIP,2 Hoses

1шт.

Выбрано товаров: 6