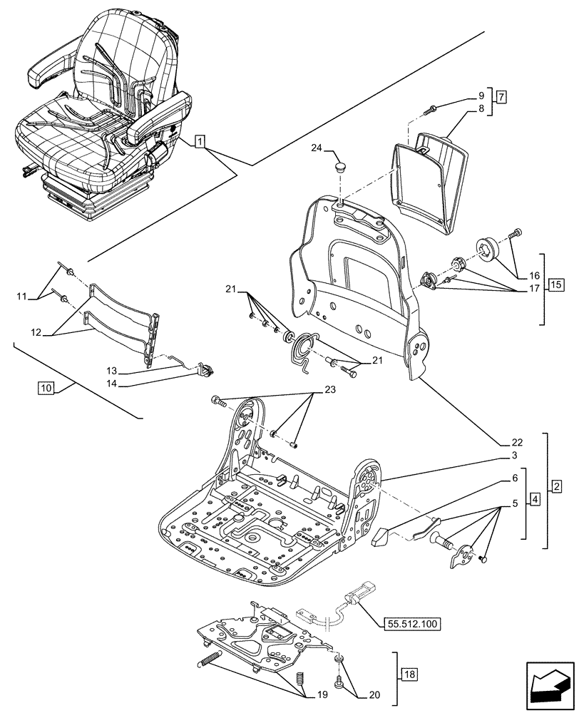
Запчасти Case IH FARMALL 120U (90.124.030) - VAR - 332850 - DELUXE SUSPENSION SEAT, FRAME (90) - PLATFORM, CAB, BODYWORK AND DECALS

Схема запчастей Case IH FARMALL 120U - (90.124.030) - VAR - 332850 - DELUXE SUSPENSION SEAT, FRAME (90) - PLATFORM, CAB, BODYWORK AND DECALS
55.512.100
13
9
19
12
17
11
18
1
3
16
24
14
23
10
15
8
2
5
6
20
4
22
21
21
7
FIT
1:1
100%

Артикул

Название

Примечание

Количество

1

47476146

DRIVER SEAT

ASSY, Incl 2 - 24

1шт.

Air Suspension, W/ Safety Switch, W/ Armrest

1шт.

See Driver Seat Components also in Section, Subsection 55.512, 90.124, 90.151

1шт.

2

84255306

KIT

ASSY, Incl 3 - 6, 22

1шт.

3

NSS

NOT SOLD SEPARAT

Cuschion Support, Incl in 2

1шт.

4

84255307

ADAPTER

ASSY, Incl 5, 6

1шт.

5

NSS

NOT SOLD SEPARAT

Actuation, Incl in 4

1шт.

6

345752A1

HANDLE

1шт.

7

71491415

UTILITY HOLDER

ASSY, Incl 8, 9

1шт.

8

NSS

NOT SOLD SEPARAT

Pouch Document, Incl in 7

1шт.

9

84247569

REPAIR KIT

1шт.

10

345767A1

SUPPORT

ASSY, Incl 11 - 17

1шт.

11

NSS

NOT SOLD SEPARAT

Rivet, Incl in 10

1шт.

12

NSS

NOT SOLD SEPARAT

Plate, Incl in 10

1шт.

13

NSS

NOT SOLD SEPARAT

Rod, Incl in 10

1шт.

14

NSS

NOT SOLD SEPARAT

Lever, Incl in 10

1шт.

15

84191199

ACTUATOR

ASSY, Incl 16, 17

1шт.

16

NSS

NOT SOLD SEPARAT

Actuatiom, Incl in 15

1шт.

17

82034964

HANDLE

1шт.

18

84253109

COMPENSATOR

ASSY, Incl 19, 20

1шт.

19

NSS

NOT SOLD SEPARAT

Compensator, Incl in 18

1шт.

20

84191201

SET OF PARTS

1шт.

21

84191131

SET OF PARTS

1шт.

22

NSS

NOT SOLD SEPARAT

Backrest, Incl in 2

1шт.

23

84280032

SCREW

1шт.

24

84255310

COVER

1шт.

Выбрано товаров: 0