Запчасти Case IH FARMALL 125A (10.110.AA[01]) - DYNAMIC BALANCER - GEARS & SHAFT (10) - ENGINE

Схема запчастей Case IH FARMALL 125A - (10.110.AA[01]) - DYNAMIC BALANCER - GEARS & SHAFT (10) - ENGINE
3
1
3
6
4
9
12
7
10
11
3
3
3
10.110.aa 02
5
2
8
FIT
1:1
100%

Артикул

Название

Примечание

Количество

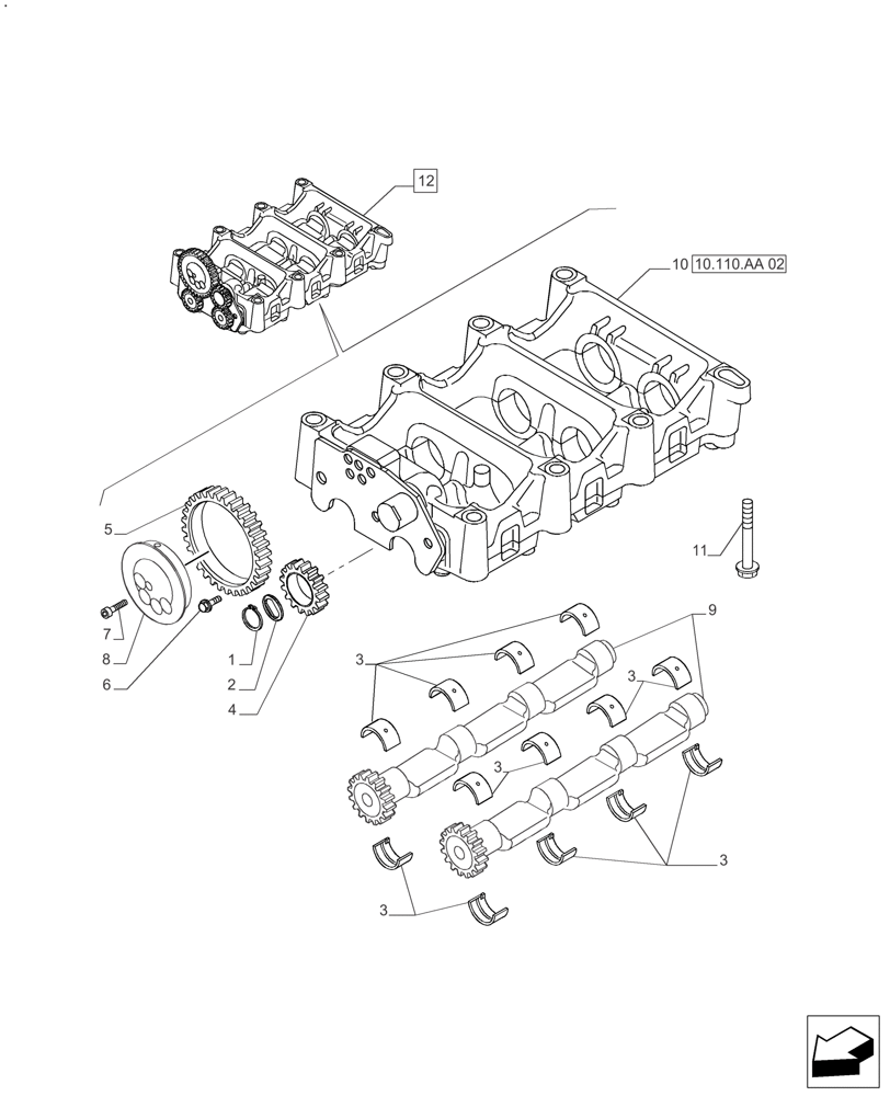
1

4897125

SNAP RING,Ext, M23

1шт.

2

2855753

THRUST PLATE

1шт.

3

2855747

BEARING SET

16шт.

4

4897048

IDLER GEAR

1шт.

5

4896947

IDLER GEAR

1шт.

6

4895586

SCREW,Hex, Flg Hd, M8 x 16

3шт.

7

2830433

HEX SOC SCREW

Flange Head Cap

5шт.

8

2831031

IDLE SHAFT

1шт.

9

2831354

SHAFT

Balancer

2шт.

10

2855744

HOUSING

1шт.

11

4899109

SCREW,Hex, M10 x 1.5 x 80

7шт.

11

4897934

SCREW,Hex, Flg Hd, M10 x 100

1шт.

12

2855743

BALANCER

HOUSING, Incl 1 - 11

1шт.

Выбрано товаров: 13