Запчасти Case IH FARMALL 125A (10.254.AI[02]) - VERTICAL EXHAUST - MUFFLER 6 CYL. (10) - ENGINE

Схема запчастей Case IH FARMALL 125A - (10.254.AI[02]) - VERTICAL EXHAUST - MUFFLER 6 CYL. (10) - ENGINE
17
28
9
16
10.250.ac
6
37
43
17
14
13
16
50.200.ab
10
19
15
17
2
21
27
1
15
11
5
17
34
25
18
23
4
3
7
40
42
21
17
32
38
26
55.202.ay
21
24
35
15
31
7
29
41
10
33
30
36
90.100.au
8
7
12
39
22
20
17
FIT
1:1
100%

Артикул

Название

Примечание

Количество

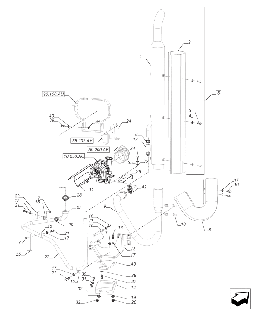
1

NSS

NOT SOLD SEPARAT

Muffler Assy Exhaust Tube 6 Cyl., Incl in 5

1шт.

2

NSS

NOT SOLD SEPARAT

Guard Muffler Exhaust Tube 6 Cyl., Incl in 5

1шт.

3

16043224

BOLT,Hex, M8 x 16mm, Cl 8.8

6шт.

4

83990583

LOCK WASHER,M8 x 14.8mm OD x 2.1mm Thk

6шт.

5

87324755

MUFFLER

Silencer Guard Assembly 6 Cyl. L/Ejector, Incl 1 - 4, Not Shown

1шт.

5

87324760

MUFFLER

Silencer Guard Assembly 6 Cyl. W/Ejector, Incl 1 - 4

1шт.

6

82980514

CLAMP,32mm - 50mm

Clamp 4/6 Cyl.

2шт.

7

43362

NUT,M8 x 1.25, Cl 10

1шт.

8

73337604

GUARD

Exhaust Tube

1шт.

9

73337578

EXHAUST SYSTEM PIPE

Tube Assy 6 Cyl., Start Serial: NH02715M

1шт.

10

73337602

CLAMP

3шт.

11

73337780

GUARD

Turbo 6 Cyl.

1шт.

12

82989606

PIPE

Join Hose Ejector, Years: -16-FEB-13

1шт.

12

73338675

HOSE

Ejector 4/6 Cyl., Start Year: 16-FEB-13

1шт.

13

73337591

SUPPORT

Guard Assy.

1шт.

14

73338193

SUPPORT

Support Exhaust Assy. 4/6 Cyl.

1шт.

15

73337124

CLAMP,32mm ID, 10mm Bolt Hole, P Type

3шт.

16

43128

BOLT,M8 x 1.25 x 30mm, Cl 8.8

12шт.

17

83990583

LOCK WASHER,M8 x 14.8mm OD x 2.1mm Thk

17шт.

18

82859873

SCREW,M8 x 45mm, Cl 8.8

4шт.

19

83974432

WASHER,0.33" ID x 0.88" OD x 0.12" Thk

4шт.

20

83958007

NUT,M8, G8

4шт.

21

120104

BOLT,Hex, M8 x 1.25 x 20mm, Cl 8.8

3шт.

22

73337585

TUBE

Assy Ejector P/Clean, Years: -16-FEB-13

1шт.

22

47462686

TUBE

Assy Ejector P/Clean, Start Year: 16-FEB-13

1шт.

23

73337581

SUPPORT

Tube Ejector

1шт.

24

73337734

SUPPORT

Relay

1шт.

25

73337583

SUPPORT

1шт.

26

73338158

COVER

FR MANIFOLD

1шт.

27

73337729

HOSE,33mm ID x 140mm L, SAE J200

HOSE DUST EJECTOR

1шт.

28

86642486

CLAMP 46 - 70

PLATE,6.5mm OD x 4mm L

1шт.

29

82980514

CLAMP,32mm - 50mm

Clamp 32 - 50

1шт.

30

15541134

BOLT,Hex, M12 x 1.25 x 65mm, Cl 10.9

2шт.

31

80679

LOCK WASHER,1/20.507 CST ZND

2шт.

32

87364

WASHER,0.53" ID x 1.06" OD x 0.1" Thk

4шт.

33

16105014

LOCK NUT,M12 x 1.25

2шт.

34

83952638

SCREW,Hex, M10 x 25mm

4шт.

35

85700672

LOCK WASHER,M10

4шт.

36

83904166

WASHER,10.5mm ID x 30mm OD x 4mm Thk

4шт.

37

15540721

SCREW,Hex, M12 x 1.25 x 45mm, Cl 8.8, Full Thd

3шт.

38

412123

LOCK WASHER,13.1mm ID x 21.1mm OD x 2.55mm Thk

3шт.

39

86977786

BOLT,Hex, M6 x 1 x 25mm, Cl 8.8

2шт.

40

83935046

LOCK WASHER,Helical Spring, 1/4" ID x 0.489" OD x 0.062" Thk

2шт.

41

86500688

NUT,Hex, M6 x 1.0, Cl 10.9

2шт.

42

83919776

CLAMP

V-BAND

1шт.

43

73338173

SUPPORT

Support Assy. Exhaust Pilar A 6 Cyl. CAB

1шт.

Выбрано товаров: 46