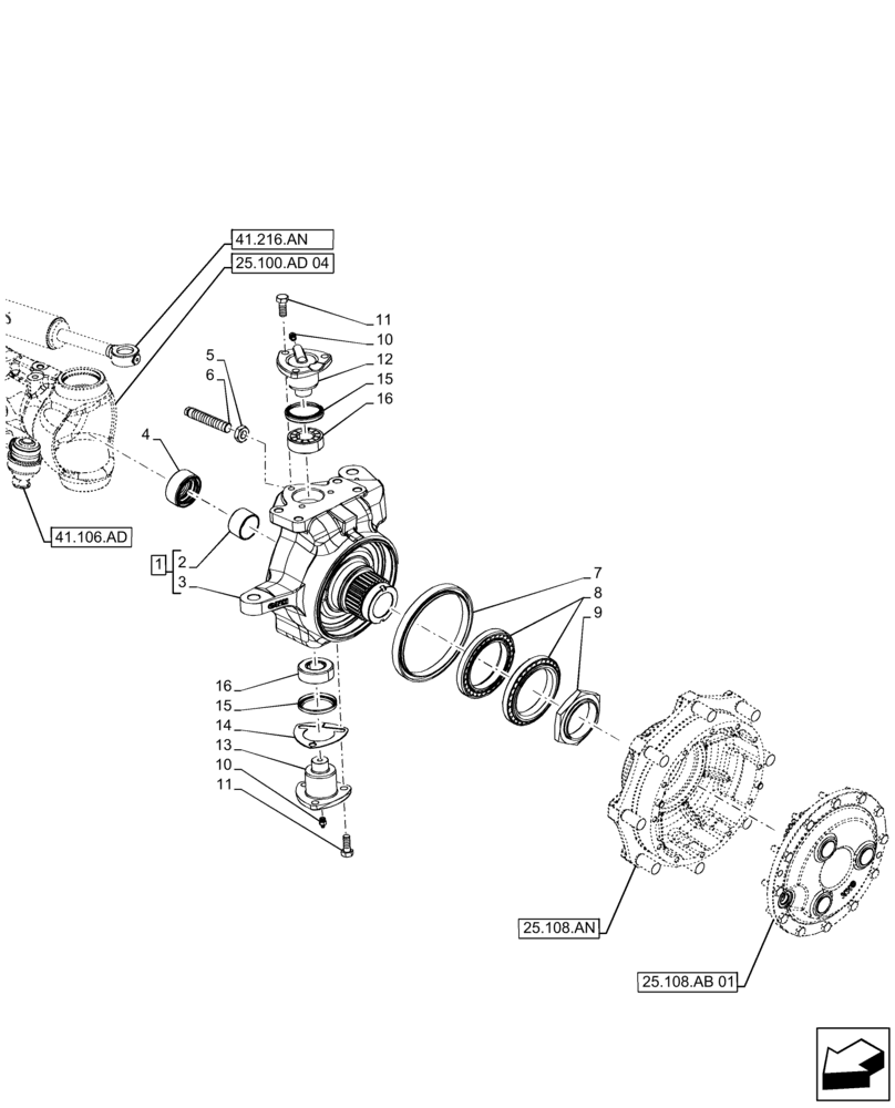
Запчасти Case IH FARMALL 130A (25.108.AG[02]) - VAR - 390509 - FRONT AXLE, STEERING KNUCKLE, HEAVY DUTY (25) - FRONT AXLE SYSTEM

Схема запчастей Case IH FARMALL 130A - (25.108.AG[02]) - VAR - 390509 - FRONT AXLE, STEERING KNUCKLE, HEAVY DUTY (25) - FRONT AXLE SYSTEM
15
16
41.216.an
4
16
3
25.100.ad 04
41.106.ad
8
25.108.an
15
2
11
5
13
9
25.108.ab 01
11
6
10
14
7
10
12
1
FIT
1:1
100%

Артикул

Название

Примечание

Количество

1

84196952

KNUCKLE,RH

ASSY, Incl 2, 3

1шт.

1

84196849

KNUCKLE,LH

ASSY, Incl 2, 3

1шт.

2

5104085

BUSHING,45mm ID x 50mm OD x 30mm L

1шт.

3

NSS

NOT SOLD SEPARAT

Knukle, Incl in 1

1шт.

3

NSS

NOT SOLD SEPARAT

Knukle, Incl in 1

1шт.

4

84166643

SEAL,45mm ID x 65mm OD x 27mm Thk

1шт.

5

10717624

THIN NUT,Thin, M18 x 2.5, Cl 05

1шт.

6

87751873

SCREW,M18 x 105mm, Cl 10.9

1шт.

7

87309584

OIL SEAL,165mm ID x 190mm OD x 16.5mm Thk

1шт.

8

5136951

TAPERED BEARING,95mm ID x 135mm OD x 20mm W

2шт.

9

5142020

NUT,Hex, M75 x 2

1шт.

10

13407211

LUBE NIPPLE,M10 x 1

2шт.

11

14274534

LOCK BOLT,Hex, M12 x 1.25 x 30mm, Cl 10.9, Full Thd

6шт.

12

87361688

BALL STUD

1шт.

13

87333763

BALL STUD

1шт.

14

5137456

SHIM,56.5mm ID x 97mm OD x 0.1mm Thk

1шт.

14

5137457

SHIM,56.5mm ID x 97mm OD x 0.15mm Thk

1шт.

14

5137458

SHIM,56.5mm ID x 97mm OD x 0.2mm Thk

1шт.

14

5137459

SHIM,56.5mm ID x 97mm OD x 0.25mm Thk

1шт.

14

5137460

SHIM,56.5mm ID x 97mm OD x 0.3mm Thk

1шт.

14

5087426

SHIM KIT

1шт.

15

5121471

SEAL,56mm ID x 70mm OD x 7.5mm Thk

2шт.

16

5119699

SPHERICAL BEARING,30.16mm ID x 64.29mm OD x 21.43mm W

2шт.

Выбрано товаров: 23