Запчасти Case IH FARMALL 130A (33.000.00) - PICTORIAL INDEX - BRAKES & CONTROLS (33) - BRAKES & CONTROLS

Схема запчастей Case IH FARMALL 130A - (33.000.00) - PICTORIAL INDEX - BRAKES & CONTROLS (33) - BRAKES & CONTROLS
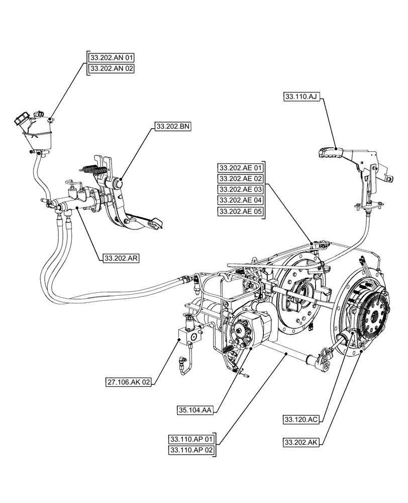
33.120.ac
33.202.ae 04
33.202.ae 05
35.104.aa
33.202.ae 02
33.202.ak
33.202.ae 03
33.202.an 02
33.110.ap 01
33.110.ap 02
33.110.aj
33.202.ae 01
33.202.an 01
33.202.ar
27.106.ak 02
33.202.bn
FIT
1:1
100%