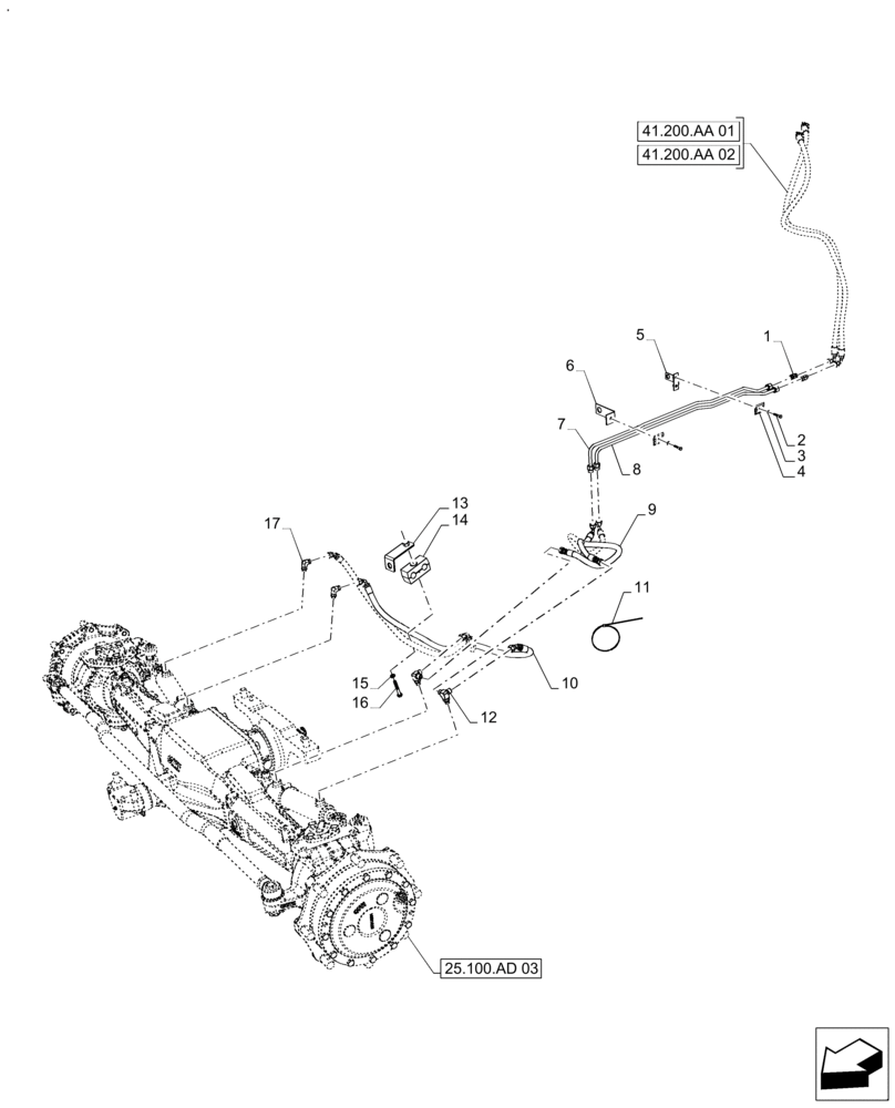
Запчасти Case IH FARMALL 130A (41.200.AO[03]) - VAR - 390340, 330059, 330061 - FRONT, STEERING LINE, 4WD, HEAVY DUTY (41) - STEERING

Схема запчастей Case IH FARMALL 130A - (41.200.AO[03]) - VAR - 390340, 330059, 330061 - FRONT, STEERING LINE, 4WD, HEAVY DUTY (41) - STEERING
4
9
12
41.200.aa 02
15
7
25.100.ad 03
14
10
6
3
13
5
11
16
8
17
1
2
41.200.aa 01
FIT
1:1
100%

Артикул

Название

Примечание

Количество

1

84431546

UNION,11/16"-16 ORFS

2шт.

2

10902821

SCREW,Hex, M6 x 30mm, Cl 8.8

2шт.

3

83935046

LOCK WASHER,Helical Spring, 1/4" ID x 0.489" OD x 0.062" Thk

2шт.

4

85700613

CLAMP,1.75mm W x 0.20mm Thk

Power Steering, Pipe Mounting Bracket

2шт.

5

82988461

SUPPORT

Assy. Steering Tubes

1шт.

6

47626860

BRACKET

Side Sup. Assy. Steering Tube

1шт.

7

47626900

PIPE

Tube Assy. Front Upper Steering

1шт.

8

47626885

HYD TUBE

Front Low Steering

1шт.

9

82036370

HOSE

Assy. Power Steering

2шт.

10

73338319

HOSE

Hydraulic Steer Crossover

2шт.

11

83933061

STRAP

7 x 0.193 IN

1шт.

12

5188443

90 ELBOW

2шт.

13

73338338

SUPPORT

Assy. Cyl. Hose STR

1шт.

14

87000151

CLAMP

Twin, 19.05mm Dia, Ribbed

1шт.

15

10571779

LOCK WASHER,Helical Spring, 8.10mm ID x 14.80mm OD x 2.00mm, ZNM

1шт.

16

120061

BOLT,Hex, M8 x 60mm L, Cl 8.8

1шт.

17

47127165

90 ELBOW

2шт.

Выбрано товаров: 17