Запчасти Case IH FARMALL 130A (90.150.BB[02]) - VAR - 391610, 393315 - SUPPORT, CAB, ROPS (90) - PLATFORM, CAB, BODYWORK AND DECALS

Схема запчастей Case IH FARMALL 130A - (90.150.BB[02]) - VAR - 391610, 393315 - SUPPORT, CAB, ROPS (90) - PLATFORM, CAB, BODYWORK AND DECALS
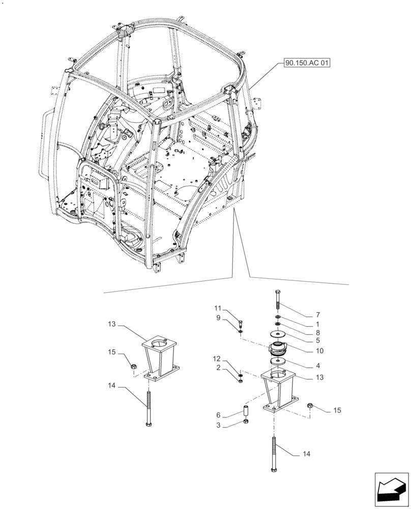
12
10
1
13
11
5
4
15
14
7
9
14
2
13
15
6
3
8
90.150.ac 01
FIT
1:1
100%

Артикул

Название

Примечание

Количество

1

10572179

LOCK WASHER,M16

2шт.

2

337475

NUT,M12, Cl 10

4шт.

3

392530

NUT,M16, Cl 10

2шт.

4

5092190

SPACER,17mm ID x 90mm OD x 8mm L

2шт.

5

5092191

SPACER,17mm ID x 90mm OD x 4mm L

2шт.

6

5132014

SPACER,17mm ID x 24mm OD x 57mm L

2шт.

7

84036080

BOLT,Hex, M16 x 110mm, Cl 10.9

2шт.

8

86511326

WASHER,17mm ID x 30mm OD x 3mm Thk

2шт.

9

10517074

LOCK WASHER,12.2mm ID x 21.1mm OD x 3.1mm Thk

4шт.

10

87688289

PAD

Elastic Support Front Suspension

2шт.

11

300389

BOLT,M12 x 1.75 x 35mm, Cl 8.8

4шт.

12

86511324

WASHER,13mm ID x 24mm OD x 2.5mm Thk

4шт.

13

47465245

SUPPORT

Assy. Rear

2шт.

14

73337208

BOLT

Retaining Support

8шт.

15

82000720

NUT,3/4"-10, GC

8шт.

Выбрано товаров: 15