Запчасти Case IH FARMALL 45A (44.101.02) - FRONT AXLE - 2WD (45 H.P) (44) - WHEELS

Схема запчастей Case IH FARMALL 45A - (44.101.02) - FRONT AXLE - 2WD (45 H.P) (44) - WHEELS
15
44.101.01 01
9
16
6
home
4
8
14
2
9
10
9
13
11
3
10
7
9
1
17
18
12
5
FIT
1:1
100%

Артикул

Название

Примечание

Количество

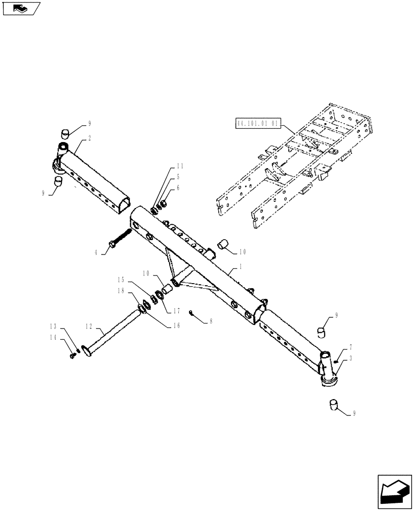
1

87579825

BODY

1шт.

2

84197743

TRACK ROD END ASSY

Axle Front End Assy., LH Complete

1шт.

3

84197745

TRACK ROD END ASSY

Front Axle RH Complete

1шт.

4

15981921

BOLT,Hex, M16 x 1.5 x 125mm, Cl 8.8

4шт.

5

10517279

LOCK WASHER,16.2mm ID x 30.6mm OD x 4.2mm Thk

M16

4шт.

6

15502611

NUT,Hex, M16 x 1.5

M16

4шт.

7

13407211

LUBE NIPPLE,M10 x 1

2шт.

8

13407811

LUBE NIPPLE,Angled - 45 Degree, M10 x 1 x 27.00mm

3шт.

9

87304566

BUSHING

4шт.

10

82822421

BUSHING

2шт.

11

5104245

SPACER,16.2mm ID x 40mm OD x 15mm

16.2 x 40 x 15

4шт.

12

87303681

PIN

1шт.

13

11190579

BELLEVILLE WASHER,M10 Bolt Size x 20mm OD x 2.3mm Thk

1шт.

14

15970521

BOLT,Hex, M10 x 1.25 x 20mm, Cl 8.8, Full Thd

1шт.

15

82822453

THRUST WASHER

2шт.

16

82822454

THRUST WASHER

2шт.

17

82822455

SEAL

30 x 40 x 7

2шт.

18

82822458

SHIM

1шт.

18

82822456

SHIM

1шт.

18

82822457

SHIM

1шт.

18

82822938

SHIM

1шт.

Выбрано товаров: 21