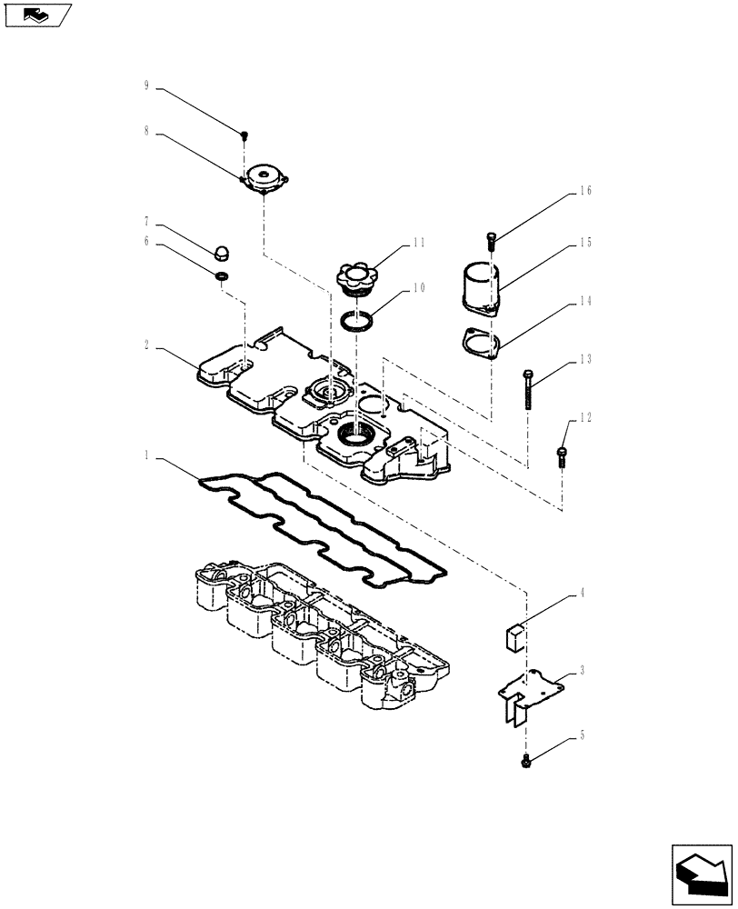
Запчасти Case IH FARMALL 45A (10.103.03) - CYLINDER HEAD - COVER (10) - ENGINE

Схема запчастей Case IH FARMALL 45A - (10.103.03) - CYLINDER HEAD - COVER (10) - ENGINE
13
11
16
6
8
3
10
4
12
home
5
15
7
1
9
14
2
FIT
1:1
100%

Артикул

Название

Примечание

Количество

1

SBA111996401

GASKET

1шт.

2

SBA111217580

COVER

Head

1шт.

3

SBA110666050

DEFLECTOR

Oil Stopper

1шт.

4

SBA110666060

FILTER SCREEN

1шт.

5

SBA015600406

SCREW

6шт.

6

SBA140996270

SEAL

4шт.

7

SBA024600010

NUT

Cap

4шт.

8

SBA110566080

BREATHER

1шт.

9

SBA011100408

BOLT

4шт.

10

SBA052100400

O-RING,3.5mm Thk x 39.7mm ID, 70 Duro

1шт.

11

SBA198436010

FILLER CAP

1шт.

12

SBA011310640

CAPTIVE WASHER SCREW,Hex, M6 x 40, Cl 8.8

2шт.

13

SBA011310660

BOLT

3шт.

14

SBA135996950

MANIFOLD GASKET

1шт.

15

SBA135566510

MANIFOLD

Air Intake

1шт.

16

120100

BOLT,M6 x 20mm, Cl 8.8

2шт.

Выбрано товаров: 16