Запчасти Case IH FARMALL 45A (35.110.01[01]) - LIFT HOUSING (35) - HYDRAULIC SYSTEMS

Схема запчастей Case IH FARMALL 45A - (35.110.01[01]) - LIFT HOUSING (35) - HYDRAULIC SYSTEMS
9
26
9
6
27
5
11
18
16
19
23
12
8
4
25
22
7
1
3
6
2
17
3
12
8
28
30
24
15
3
13
14
10
29
9
20
21
FIT
1:1
100%

Артикул

Название

Примечание

Количество

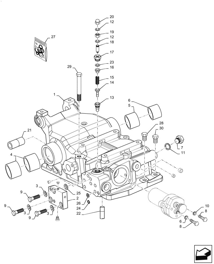
1

84251162

HOUSING

Assy.

1шт.

2

84251159

FLANGE

Closing Assy.

1шт.

3

84263700

WASHER

3шт.

4

82826038

BUSHING

D=50/55 x 40

2шт.

5

82826039

BUSHING

D=45/50 x 40

1шт.

6

82826040

BUSHING

D=45/50 x 30

1шт.

7

82826086

COPPER WASHER

18.5/24 x 1.5

1шт.

8

82826032

STEP BOLT

M8 X 35

2шт.

9

84251160

TUBE

Screw M8 X 35

3шт.

10

82826034

LOCK WASHER

Grower D-8.1

2шт.

11

82826042

PLUG

M18 X 1.5

1шт.

12

9971322

COPPER WASHER

8.5/14 x 1.5

2шт.

13

9971317

VALVE SEAT

1шт.

14

9971318

VALVE STEM

1шт.

15

84251125

SPRING

1шт.

16

9971319

SPRING

1шт.

17

84251151

PLUG

Valve

1шт.

18

84251153

SCREW

1шт.

19

82826085

NUT

1шт.

20

9971323

NUT

1шт.

21

84263701

BUSHING

1шт.

22

84250322

TUBE

For Recovery Oil

1шт.

23

84251154

COPPER WASHER

22/28 x 1.5

1шт.

24

84251132

O-RING

1шт.

25

84251155

SEAL

3шт.

26

84251156

SEAL

1шт.

27

84263777

SEAL KIT

1шт.

28

11307021

BOLT,Hex, M10 x 1.25 x 40, 10.9, Full Thd

Mounting

4шт.

29

15541921

BOLT,Hex, M12 x 1.25 x 130mm, Cl 8.8

Mounting

3шт.

30

15540621

SCREW,Hex, M12 x 1.25 x 40mm, Cl 8.8, Full Thd

Mounting

2шт.

31

13413290

BREATHER

Located top of housing

1шт.

NOT ILLUSTRATED

1шт.

Выбрано товаров: 32