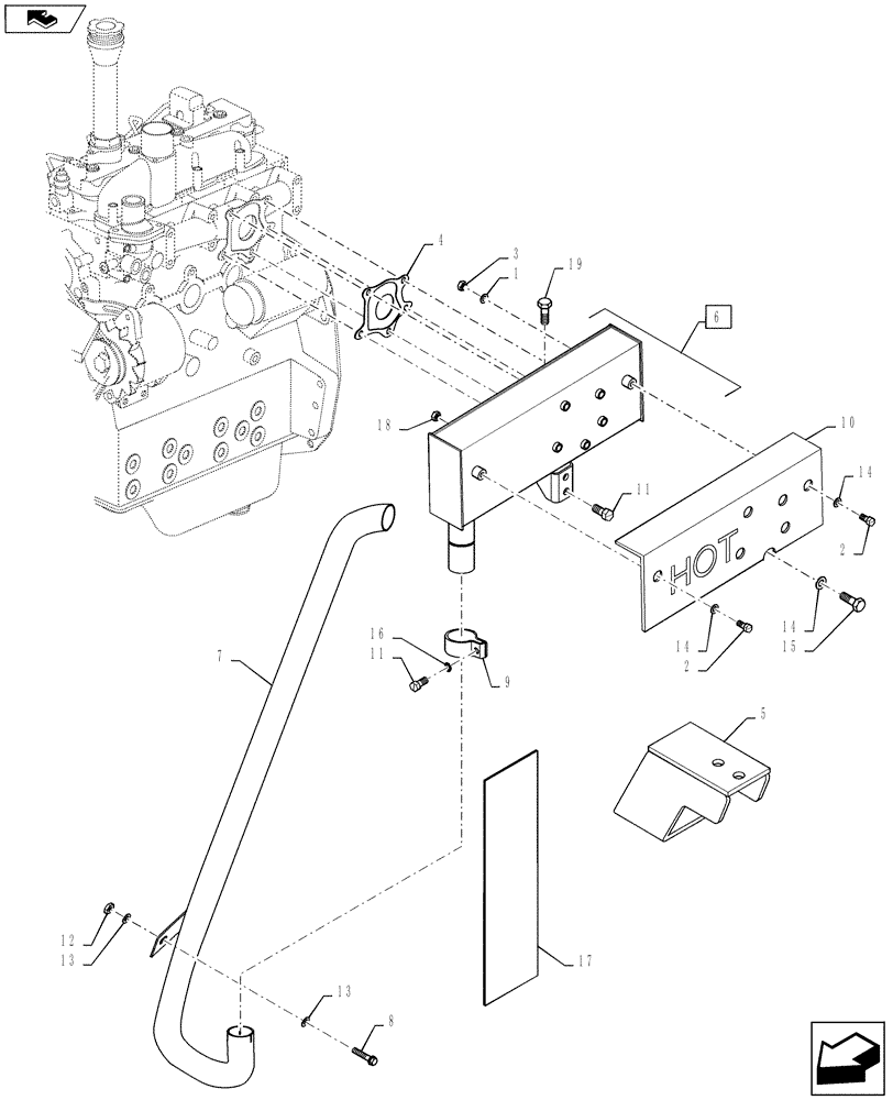
Запчасти Case IH FARMALL 55A (10.254.04[04]) - EXHAUST (10) - ENGINE

Схема запчастей Case IH FARMALL 55A - (10.254.04[04]) - EXHAUST (10) - ENGINE
13
7
14
9
17
1
6
18
10
2
5
13
8
3
11
19
2
16
14
11
14
home
15
12
4
FIT
1:1
100%

Артикул

Название

Примечание

Количество

1

10571779

LOCK WASHER,Helical Spring, 8.10mm ID x 14.80mm OD x 2.00mm, ZNM

2шт.

2

16043421

BOLT,Hex, M8 x 1.25 x 20mm, Cl 8.8, Full Thd

2шт.

3

16100811

NUT,Hex, M8, 6.80mm, Cl 8, ZND

1шт.

4

84141050

GASKET,0.2mm Thk

1шт.

5

84129773

BRACKET

Pipe Muffler Vertical 55 H.P.

1шт.

6

84134769

MUFFLER

Inc. Ref 18

1шт.

7

84289795

PIPE

Assy., Muffler - Vertical 55 H.P.

1шт.

8

16288624

FLANGE BOLT,Hex, M10 x 1.25 x 35mm, Cl 8.8, Full Thd

1шт.

9

84249605

CLAMP

1шт.

10

84141052

GUARD

1шт.

11

10902321

SCREW,Hex, M6 x 18mm, Cl 8.8, Full Thd

3шт.

12

10790111

NUT,M10 x 1.25, Cl 8

1шт.

13

85700654

WASHER,10.5mm ID x 20mm OD x 2.5mm Thk

2шт.

14

10519621

WASHER,8.15mm ID x 17mm OD x 2mm Thk

6шт.

15

16044921

BOLT,Hex, M8 x 1.25 x 85mm, Cl 8.8

4шт.

16

12646601

WASHER,6.15mm ID x 15mm OD x 1.5mm Thk

1шт.

17

87600539

HEAT SHIELD

Exhaust pipe

2шт.

18

NSS

NOT SOLD SEPARAT

WELDNUT

2шт.

19

16043221

BOLT,Hex, M8 x 16mm, Cl 8.8, Full Thd

1шт.

Выбрано товаров: 19